頻率:6~40MHZ
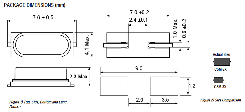
尺寸:7.6*4.1mm
ECS Inc.晶振集團是一家私人控股的全球領先企業,在維護全球日益增長的高可靠性創新頻率控制設備需求方面處于領先地位.一流的研究公司和電子設備設計者,是全球領先的15家開發和生產創新頻率控制解決方案的石英晶體,貼片晶振,石英晶體振蕩器制造商,超過600家.ECS Inc晶振支持勞動力在香港、韓國、韓國、煙臺、中國和美國的生產設施和物流中心超過225家.
ECS晶振,貼片晶振,CSM-3X晶振,貼片晶振本身體積小,超薄型石英晶體諧振器,特別適用于有目前高速發展的高端電子數碼產品,因為晶振本身小型化需求的市場領域,小型?薄型是對應陶瓷諧振器(偏差大)和普通的石英晶體諧振器(偏差小)的中間領域的一種性價比較出色的產品.
石英晶振多層、多金屬的濺射鍍膜技術:是目前研發及生產高精度、高穩定性石英晶體元器件——石英晶振必須攻克的關鍵技術之一。貼片晶振該選用何鍍材、鍍幾種材料、幾種鍍材的鍍膜順序,鍍膜的工藝方法(如各鍍材的功率設計等)。使用此鍍膜方法使鍍膜后的晶振附著力增強,貼片晶振頻率更加集中,能控制在最小ppm之內。
|
ECSInc晶振規格 |
單位 |
CSM-3X晶振頻率范圍 |
石英晶振基本條件 |
|
|
標準頻率 |
f_nom |
6~40MHZ |
標準頻率 |
|
|
儲存溫度 |
T_stg |
-40°C ~ +85°C |
裸存 |
|
|
工作溫度 |
T_use |
-10°C ~ +70°C |
標準溫度 |
|
|
激勵功率 |
DL |
200μW Max. |
推薦:1μW ~ 100μW |
|
|
頻率公差 |
f_— l |
±50 × 10-6 (標準), |
+25°C 對于超出標準的規格說明,請聯系我們以便獲取相關的信息, http://www.yancaiwang.com.cn |
|
|
頻率溫度特征 |
f_tem |
±30 × 10-6/-20°C ~ +70°C |
超出標準的規格請聯系我們. |
|
|
負載電容 |
CL |
10PF,20PF |
不同負載電容要求,請聯系我們. |
|
|
串聯電阻(ESR) |
R1 |
如下表所示 |
-40°C — +85°C, DL = 100μW |
|
|
頻率老化 |
f_age |
±5 × 10-6 / year Max. |
+25°C,第一年 |
|


設計指導
(1) 理想情況下,機械蜂鳴器應安裝在一個獨立于晶體器件的PCB板上。如果您安裝在同一個PCB板上,最好使用余量或切割PCB。當應用于PCB板本身或PCB板體內部時,機械振動程度有所不同。建議遵照內部板體特性。
(2) 在設計時請參考相應的推薦封裝。
(3) 在使用焊料助焊劑時,按JIS標準(JIS C 60068-2-20/IEC 60,068-2-20).來使用。
(4) 請按JIS標準(JIS Z 3282, Pb 含量 1000ppm, 0.1wt% 或更少)來使用無鉛焊料。
存儲事項
(1) 在更高或更低溫度或高濕度環境下長時間保存晶振時,會影響頻率穩定性或焊接性。請在正常溫度和濕度環境下保存這些石英晶振產品,并在開封后盡可能進行安裝,以免長期儲藏。
正常溫度和濕度:
溫度:+15°C 至 +35°C,濕度 25 % RH 至 85 % RH(請參閱“測試點JIS C 60068-1 / IEC 60068-1的標準條件”章節內容)。
(2) 請仔細處理內外盒與卷帶。外部壓力會導致卷帶受到損壞。
ECScrystal晶振環保方針:
ECS Inc國際晶振集團遵守所有適用的有關環境、健康和安全的法律和法規以及公司自己的有關環境、工業衛生和安全的方針和承諾.與我們的員工一起開創并保持一個免于事故的壓電石英晶體元器件、晶振,石英晶振,壓電石英晶體、有源晶體工作場所.ECS Inc國際晶振集團重視污染預防,消除偏離程序的行為強調通過員工努力這一最可行的方法持續改進我們經營活動的環境績效.
ECS Inc國際晶振集團將持續的環境、健康和安全方面的改進、污染預防和員工的努力納入日常運行當中.加強污染防治,減少現有的污染廢棄物以及在未來晶振,石英晶振, 壓控振蕩器, 石英水晶振蕩子生產制造中所產生的污染.ECS晶振,貼片晶振,CSM-3X晶振.


