頻率:18.432MHz
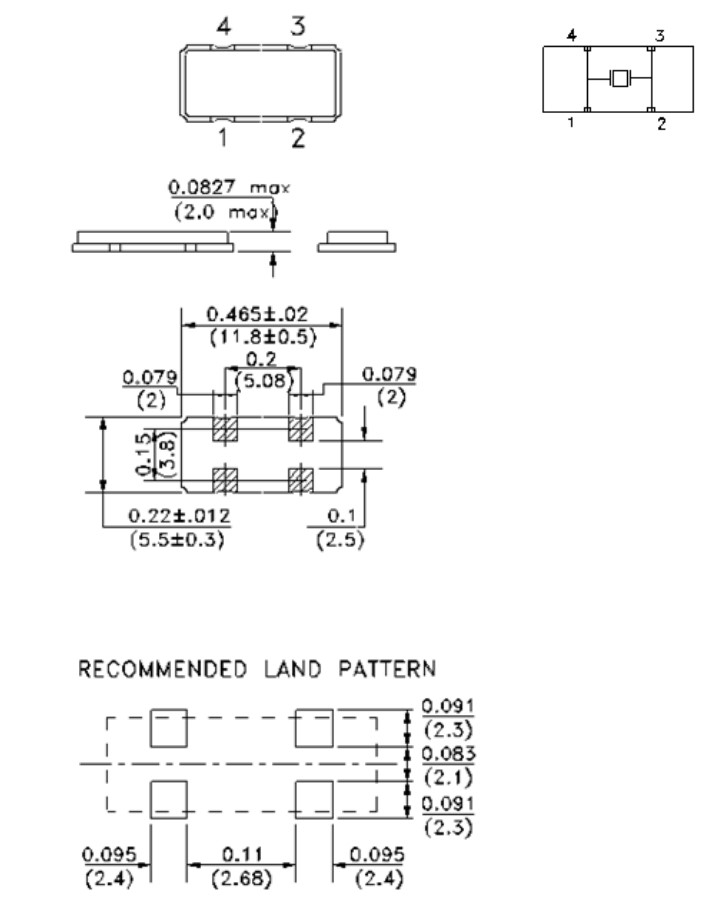
尺寸:11.8mmx5.5mmx2mm
Abracon晶振,ABC2-18.432MHZ-2-T,ABC2無源晶振,通訊晶振,美國進口晶振,Abracon艾博康晶振,型號:ABC2系列,編碼為:ABC2-18.432MHZ-2-T,頻率:18.432MHz,工作溫度范圍:-10℃至+60℃,頻率穩定性:±20ppm,負載電容:18pF,小體積晶振尺寸:11.8mmx5.5mmx2mm陶瓷SMD封裝,四腳貼片晶振,石英晶振,無源晶振,SMD諧振器,石英晶體諧振器。具有超小型,輕薄型晶振,高品質晶振,高性能晶振,高可靠等特點。應用于:通信設備晶振,測量設備晶振,商業和工業應用等。
Abracon晶振,ABC2-18.432MHZ-2-T,ABC2無源晶振,通訊晶振,產品特點:
•小型SMD中的低頻
•1.9mm高,非常適合高密度電路板
•陶瓷包裝提供卓越的環境和耐熱性
•工業應用的擴展溫度-40°C至+85°C
•適用于符合RoHS的回流焊
Abracon晶振,ABC2-18.432MHZ-2-T,ABC2無源晶振,通訊晶振,參數表
| Parameters | Minimum | Typical | Maximum | Units | Notes | |||||||||||||||||||
| Frequency Range |
|
18.432 |
|
MHz | Fundamental, AT | |||||||||||||||||||
| Operation Mode | Fundamental | |||||||||||||||||||||||
| Operating Temperature | - 10 | +60 | ºC |
Please see available options under Part Identification section |
||||||||||||||||||||
| Storage Temperature | -55 | +125 | ºC | |||||||||||||||||||||
| Frequency Tolerance @+25°C | -50 | +50 | ppm | See options | ||||||||||||||||||||
|
Frequency Stability over the Operating Temperature (ref. to +25°C) |
-50 | +50 | ppm |
Standard for below 6.0MHz (- 10 °C to +60 °C) See options for other temperature |
||||||||||||||||||||
| -30 | +30 |
Standard for 6.0MHz and above; (- 10 °C to +60 °C) See options for other temperature |
||||||||||||||||||||||
| Equivalent series resistance (R1) | See table 1 below |
Ω |
||||||||||||||||||||||
| Shunt capacitance (C0) | 7 | pF | ||||||||||||||||||||||
| Load capacitance (CL) | 18 | pF | See options | |||||||||||||||||||||
| Drive Level | 100 | µW | ||||||||||||||||||||||
| Aging@25°C±3°C | ±5 | ppm | First year | |||||||||||||||||||||
| Insulation Resistance | 500 | MΩ | @ 100Vdc ± 15V | |||||||||||||||||||||
Abracon晶振,ABC2-18.432MHZ-2-T,ABC2無源晶振,通訊晶振,尺寸圖
| 產品編碼 | 貼片晶振 | 型號 | 頻率 | 長度 | 寬度 | 高度 |
| ABC2-10.000MHZ-4-T | Abracon晶振 | ABC2 | 10 MHz | 11.8mm | 5.5mm | 2mm |
| ABC2-10.000MHZ-D4Y-T | Abracon晶振 | ABC2 | 10 MHz | 11.8mm | 5.5mm | 2mm |
| ABC2-11.0592MHZ-4-T | Abracon晶振 | ABC2 | 11.0592 MHz | 11.8mm | 5.5mm | 2mm |
| ABC2-11.2896MHZ-4-T | Abracon晶振 | ABC2 | 11.2896 MHz | 11.8mm | 5.5mm | 2mm |
| ABC2-12.000MHZ-4-T | Abracon晶振 | ABC2 | 12 MHz | 11.8mm | 5.5mm | 2mm |
| ABC2-12.288MHZ-4-T | Abracon晶振 | ABC2 | 12.288 MHz | 11.8mm | 5.5mm | 2mm |
| ABC2-14.31818MHZ-4-T | Abracon晶振 | ABC2 | 14.31818 MHz | 11.8mm | 5.5mm | 2mm |
| ABC2-14.7456MHZ-4-T | Abracon晶振 | ABC2 | 14.7456 MHz | 11.8mm | 5.5mm | 2mm |
| ABC2-14.7456MHZ-D4Y-T | Abracon晶振 | ABC2 | 14.7456 MHz | 11.8mm | 5.5mm | 2mm |
| ABC2-15.000MHZ-4-T | Abracon晶振 | ABC2 | 15 MHz | 11.8mm | 5.5mm | 2mm |
| ABC2-15.360MHZ-4-T | Abracon晶振 | ABC2 | 15.36 MHz | 11.8mm | 5.5mm | 2mm |
| ABC2-16.000MHZ-4-T | Abracon晶振 | ABC2 | 16 MHz | 11.8mm | 5.5mm | 2mm |
| ABC2-16.666MHZ-4-T | Abracon晶振 | ABC2 | 16.666 MHz | 11.8mm | 5.5mm | 2mm |
| ABC2-18.432MHZ-4-T | Abracon晶振 | ABC2 | 18.432 MHz | 11.8mm | 5.5mm | 2mm |
| ABC2-19.440MHZ-4-T | Abracon晶振 | ABC2 | 19.44 MHz | 11.8mm | 5.5mm | 2mm |
| ABC2-20.000MHZ-4-T | Abracon晶振 | ABC2 | 20 MHz | 11.8mm | 5.5mm | 2mm |
| ABC2-20.480MHZ-4-T | Abracon晶振 | ABC2 | 20.48 MHz | 11.8mm | 5.5mm | 2mm |
| ABC2-20.480MHZ-BY-T | 艾博康晶振 | ABC2 | 20.48 MHz | 11.8mm | 5.5mm | 2mm |
| ABC2-22.1184MHZ-4-T | Abracon晶振 | ABC2 | 22.1184 MHz | 11.8mm | 5.5mm | 2mm |
| ABC2-24.000MHZ-4-T | Abracon晶振 | ABC2 | 24 MHz | 11.8mm | 5.5mm | 2mm |
| ABC2-24.576MHZ-4-T | Abracon晶振 | ABC2 | 24.576 MHz | 11.8mm | 5.5mm | 2mm |
| ABC2-25.000MHZ-4-T | Abracon晶振 | ABC2 | 25 MHz | 11.8mm | 5.5mm | 2mm |
| ABC2-3.579545MHZ-4-T | Abracon晶振 | ABC2 | 3.579545 MHz | 11.8mm | 5.5mm | 2mm |
| ABC2-3.6864MHZ-4-T | Abracon晶振 | ABC2 | 3.6864 MHz | 11.8mm | 5.5mm | 2mm |
| ABC2-4.000MHZ-4-T | Abracon晶振 | ABC2 | 4 MHz | 11.8mm | 5.5mm | 2mm |
| ABC2-4.000MHZ-D-T | Abracon晶振 | ABC2 | 4 MHz | 11.8mm | 5.5mm | 2mm |
| ABC2-4.096MHZ-4-T | Abracon晶振 | ABC2 | 4.096 MHz | 11.8mm | 5.5mm | 2mm |
| ABC2-4.9152MHZ-4-T | Abracon晶振 | ABC2 | 4.9152 MHz | 11.8mm | 5.5mm | 2mm |
| ABC2-5.000MHZ-4-T | Abracon晶振 | ABC2 | 5 MHz | 11.8mm | 5.5mm | 2mm |
| ABC2-6.000MHZ-4-T | Abracon晶振 | ABC2 | 6 MHz | 11.8mm | 5.5mm | 2mm |
| ABC2-6.144MHZ-4-T | Abracon晶振 | ABC2 | 6.144 MHz | 11.8mm | 5.5mm | 2mm |
| ABC2-7.3728MHZ-4-T | Abracon晶振 | ABC2 | 7.3728 MHz | 11.8mm | 5.5mm | 2mm |
| ABC2-7.680MHZ-4-T | Abracon晶振 | ABC2 | 7.68 MHz | 11.8mm | 5.5mm | 2mm |
| ABC2-8.000MHZ-4-T | Abracon晶振 | ABC2 | 8 MHz | 11.8mm | 5.5mm | 2mm |
| ABC2-9.8304MHZ-4-T | Abracon晶振 | ABC2 | 9.8304 MHz | 11.8mm | 5.5mm | 2mm |


