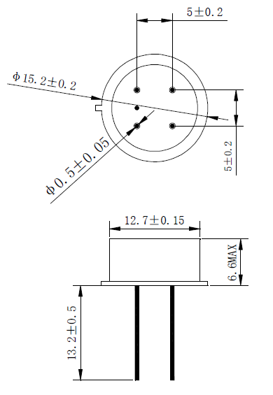
頻率:5~16.384MHz
尺寸:15*6.5mm
泰藝晶振電子多年來致力于研發創新,部分核心技術是臺灣業界的領先者,近年來陸續取得石英相關制造技術專利;未來將持續加強開發,以成為全球石英晶振頻控元件領導者之目標邁進。泰藝電子以嚴謹的質量管制系統獲得客戶對產品的信賴度,健全的供應鏈管理掌握原材物料的來源,滿足客戶對石英頻率元件的需求。
泰藝晶振,石英晶振,X7晶振,外觀使用金屬材料封裝的,具有高穩定性,高可靠性的石英晶體諧振器,晶振外觀本身使用金屬封裝,充分的密封性能,可確保其高可靠性,采用編帶包裝,外包裝采用朔膠盤,可在自動貼片機上對應自動貼裝等優勢.
晶振的真空封裝技術:是指石英晶振在真空封裝區域內進行封裝。1.防止外界氣體進入組件體內受到污染和增加應力的產生;2.使晶振組件在真空下電阻減小;3.氣密性高。此技術為研發及生產超小型、超薄型石英晶振必須攻克的關鍵技術之一.
|
泰藝晶振規格 |
單位 |
X7晶振頻率范圍 |
石英晶振基本條件 |
|
標準頻率 |
f_nom |
5~16.384MHz |
標準頻率 |
|
儲存溫度 |
T_stg |
-55°C ~ +105°C |
裸存 |
|
工作溫度 |
T_use |
-75°C ~ +105°C- |
標準溫度 |
|
激勵功率 |
DL |
200μW Max. |
推薦:1μW ~ 100μW |
|
頻率公差 |
f_— l |
±50 × 10-6 (標準), |
+25°C 對于超出標準的規格說明, |
|
頻率溫度特征 |
f_tem |
±30 × 10-6/-20°C ~ +70°C |
超出標準的規格請聯系我們. |
|
負載電容 |
CL |
7pF |
超出標準說明,請聯系我們. |
|
串聯電阻(ESR) |
R1 |
如下表所示 |
-40°C — +85°C, DL = 100μW |
|
頻率老化 |
f_age |
±5 × 10-6 / year Max. |
+25°C,第一年 |
晶振產品的設計和生產直到出廠,都會經過嚴格的測試檢測來滿足它的規格要求。通過嚴格的出廠前可靠性測試以提供高質量高的可靠性的石英晶振.但是為了石英晶振的品質和可靠性,必須在適當的條件下存儲,安 裝,運輸。請注意以下的注意事項并在最佳的條件下使用產品,我們將對于客戶按自己的判斷而使用石英晶振所導致的不良不負任何責任。
當晶振產品上存在任何給定沖擊或受到周期性機械振動時,比如:壓電揚聲器,壓電蜂鳴器,以及喇叭等,輸出頻率和幅度會受到影響。這種現象對通信器材通信質量有影響。盡管晶振產品設計可最小化這種機械振動的影響,我們推薦事先檢查并按照下列安裝指南進行操作。
TAITIEN晶振環保方針:
近來由于污染排放總量管制受到應有重視,各種污染減量與管理機制的議題已陸續成為主管機關與企業間執行污染防制的重點,而泰藝晶振電子本身由于受到環保機關污染總量管制,污染物排放量有一定的承諾限值,加上各類相關環保議題的要求,亦訂定與規劃相關減量目標,全力保護有限的地球資源與環境。
有鑒于環保意識抬頭,泰藝晶振電子多年來在環保工作上持續努力,期望藉由環境管理、自發且持續的改善,達到改善環境、減少環境沖擊的實質目的。本公司泰藝晶振于2002年6月開始推行ISO 14001環境管理系統,持續改善整體環境并有助提高經營績效,同時強化內外銷競爭力與提升公司形象。泰藝晶振,石英晶振,X7晶振.


5032mm\XVBCCLNANF-20.000000\-40°C~85℃\GPS定位系統,尺寸為5032mm,頻率為20MHZ,工作溫度-40°C~85℃,臺灣泰藝晶振,石英晶體諧振器,石英晶體,無源晶振,SMD晶振,無源諧振器,5032mm貼片晶振,藍牙晶振,GPS全球定位系統晶振,電視專用晶振,顯示器晶振,XVHCELNANF-25.000000晶振,XVDGHHNANF-27.000000晶振。
貼片無源晶振產品很適合用于藍牙,GPS定位,顯示器,電視(FPD/FTF LCD),電腦外圍設備,智能音響,無線模塊,儀器設備等領域。5032mm\XVBCCLNANF-20.000000\-40°C~85℃\GPS定位系統.

32.768K晶體具有一致性良好,頻率穩定度高,耐抗震強,每批次出廠均采用24小時老化測試,產品精度分為以下幾種±20ppm,±10ppm,±5ppm,也可以根據客戶需求特殊分為+偏差,或者-偏差,產品使用溫度高溫可達到+70°低溫可達到-40°