頻率:27MHZ
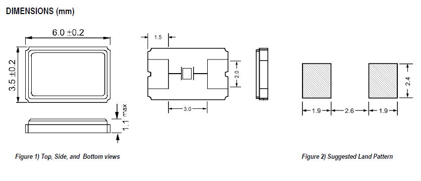
尺寸:6.0*3.5mm
ESC晶振ECX-64A,ECS-270-18-23A-EN-TR陶瓷晶振,伊西斯晶振,歐美進口晶振,無源晶振,音叉晶振,SMD晶振,6035mm晶振,型號ECX-64A,編碼ECS-270-18-23A-EN-TR是一款陶瓷面貼片型的水晶振動子,尺寸為6035mm,頻率為27,負載電容18pF,精度50ppm,工作溫度-40°C~+85°C,采用高超的生產技術結合高端的生產設備匠心研發而成,符合國家認證要求,具備高質量高性能的特點,比較適合用于物聯網應用,消費電子,醫療保健設備,智能電表,儀表等領域.
ECS-120-18-23A-EN-TR貼片晶振的真空封裝技術:是指石英晶振在真空封裝區域內進行封裝.1.防止外界氣體進入組件體內受到污染和增加應力的產生;2.使晶振組件在真空下電阻減小;3.氣密性高.此技術為研發及生產超小型、超薄型石英晶振必須攻克的關鍵技術之一.ESC晶振ECX-64A,ECS-270-18-23A-EN-TR陶瓷晶振
ECS-270-18-23A-EN-TR晶振 參數表
|
ECS晶振規格 |
單位 |
ECX-64A晶振頻率范圍 |
石英晶振基本條件 |
|
標準頻率 |
f_nom |
27MHZ |
標準頻率 |
|
儲存溫度 |
T_stg |
-55°C ~ +125°C |
裸存 |
|
工作溫度 |
T_use |
-40°C ~ +85°C |
標準溫度 |
|
激勵功率 |
DL |
100μW Max. |
推薦:1μW ~ 100μW |
|
頻率公差 |
f_— l |
±20 × 10-6 (標準), |
+25°C 對于超出標準的規格說明, |
|
頻率溫度特征 |
f_tem |
±50 × 10-6/ |
超出標準的規格請聯系我們. |
|
負載電容 |
CL |
18pF |
超出標準說明,請聯系我們. |
|
串聯電阻(ESR) |
R1 |
90 kOhms |
-40°C — +85°C, DL = 100μW |
|
頻率老化 |
f_age |
±5 × 10-6 / year Max. |
+25°C,第一年 |
ESC晶振ECX-64A,ECS-270-18-23A-EN-TR陶瓷晶振 尺寸圖
ECS-270-18-23A-EN-TR晶振 使用注意事項
清洗
關于一般清洗液的使用以及超聲波清洗沒有問題,但這僅僅是對單個無源晶體產品進行試驗所得的結果,因此請根據實際使用狀態進行確認。
由于音叉型晶體諧振器的頻率范圍和超聲波清洗機的清洗頻率很近,容易受到共振破壞,因此請盡可能避免超聲波清洗。
若要進行超聲波清洗,必須事先根據實際使用狀態進行確認。
撞擊
雖然貼片晶振產品在設計階段已經考慮到其耐撞擊性,但如果掉到地板上或者受到過度的撞擊,以防萬一還是要檢查特性后再使用。ESC晶振ECX-64A,ECS-270-18-23A-EN-TR陶瓷晶振
裝載
SMD產品
SMD晶振產品支持自動貼裝,但還是請預先基于所使用的搭載機實施搭載測試,確認其對特性沒有影響。 在切斷工序等會導致基板發生翹曲的工序中,請注意避免翹曲影響到產品的特性以及軟焊。 基于超聲波焊接的貼裝以及加工會使得時鐘晶體產品(諧振器、振蕩器、濾波器)內部傳播過大的振動,有可能導致特性老化以及引起不振蕩,因此不推薦使 用。
引線類型產品
當引線彎折、成型以及貼裝到印制電路板時,請注意避免對基座玻璃部分施加壓力。否則有可能導致玻璃出現裂痕,從而引起性能劣化。
保管
保管在高溫多濕的場所可能會導致端子軟焊性的老化。
請在沒有直射陽光,不發生結露的場所保管。ESC晶振ECX-64A,ECS-270-18-23A-EN-TR陶瓷晶振
ECS晶振環保方針:
ECS晶振公司的目標是保證進口環保晶振產品繼續滿足客戶要求的同時對環境的影響降到最小,在生產過程中不斷節約能源和資源,努力實現環境管理體系與環境行為持續改進。
承諾保護環境,重視員工、客戶和公眾的健康和安全。我們從事任何活動,都要以注重安全和環保方式,并考慮到生態系統的復雜性和相關性。
建立目標指標、監測程序,利用最好的管理手段,應用節約成本的技術,持續改進我們的環境表現。我們承諾采取積極的、預防性的戰略管理來對自然環境和地方社區的影響最小化。
環境影響的最小化:遵照社會的期望,改進我們的環境行為,我們將通過有效利用森林、能源以及其它資源,減少各種形式的廢物來實現這一承諾。
環境管理體系:在每一個運行部門,實施支持方針的系統的環境管理工具。我們將確保適當的人力資源和充分的財力保障。每年我們都將建立可測量的環境管理以及行為改進的目標和指標。
環境行為評價:評價我們運行以及員工的環境行為表現,確認支撐著本方針的成績。我們將向我們的員工提供信息,以及能夠將方針與各自工作職責完全結合的培訓。ESC晶振ECX-64A,ECS-270-18-23A-EN-TR陶瓷晶振
1.為環境保護和降低成本開發綠色技術。
2.為協調發展,共同參與社會的環境、健康與安全的改善活動。
3.在伊西斯無源晶振產品的整個生命周期內確定、評價和改進重要的環境、健康和安全因素。
4.建立和維護以國際協定和國家環境、健康與安全法律法規為基礎的企業內部標準。
5.為防止事故的發生和制造清潔的生產環境,開發生產過程的安全技術,明確緊急狀態反應的職責。
| Manufacturer Part Number原廠編碼 | Manufacturer廠家 | Series型號 | Frequency | Operating Temperature 工作溫度 |
| ECS-160-18-23A-EN-TR | ECS晶振 | ECX-64A | 16MHz | -40°C ~ 85°C |
| ECS-160-18-23A-EN-TR | ECS晶振 | ECX-64A | 16MHz | -40°C ~ 85°C |
| ECS-160-18-23A-EN-TR | ECS晶振 | ECX-64A | 16MHz | -40°C ~ 85°C |
| ECS-200-20-23A-EN-TR | ECS晶振 | ECX-64A | 20MHz | -40°C ~ 85°C |
| ECS-200-20-23A-EN-TR | ECS晶振 | ECX-64A | 20MHz | -40°C ~ 85°C |
| ECS-200-20-23A-EN-TR | ECS晶振 | ECX-64A | 20MHz | -40°C ~ 85°C |
| ECS-120-18-23A-EN-TR | ECS晶振 | ECX-64A | 12MHz | -40°C ~ 85°C |
| ECS-120-18-23A-EN-TR | ECS晶振 | ECX-64A | 12MHz | -40°C ~ 85°C |
| ECS-120-18-23A-EN-TR | ECS晶振 | ECX-64A | 12MHz | -40°C ~ 85°C |
| ECS-196-S-23A-EN-TR | ECS晶振 | ECX-64A | 19.6608MHz | -40°C ~ 85°C |
| ECS-196-S-23A-EN-TR | ECS晶振 | ECX-64A | 19.6608MHz | -40°C ~ 85°C |
| ECS-196-S-23A-EN-TR | ECS晶振 | ECX-64A | 19.6608MHz | -40°C ~ 85°C |
| ECS-122.8-18-23A-EN-TR | ECS晶振 | ECX-64A | 12.288MHz | -40°C ~ 85°C |
| ECS-122.8-18-23A-EN-TR | ECS晶振 | ECX-64A | 12.288MHz | -40°C ~ 85°C |
| ECS-122.8-18-23A-EN-TR | ECS晶振 | ECX-64A | 12.288MHz | -40°C ~ 85°C |
| ECS-135.6-18-23A-EN-TR | ECS晶振 | ECX-64A | 13.56MHz | -40°C ~ 85°C |
| ECS-135.6-18-23A-EN-TR | ECS晶振 | ECX-64A | 13.56MHz | -40°C ~ 85°C |
| ECS-135.6-18-23A-EN-TR | ECS晶振 | ECX-64A | 13.56MHz | -40°C ~ 85°C |
| ECS-143-18-23A-EN-TR | ECS晶振 | ECX-64A | 14.31818MHz | -40°C ~ 85°C |
| ECS-143-18-23A-EN-TR | ECS晶振 | ECX-64A | 14.31818MHz | -40°C ~ 85°C |
| ECS-143-18-23A-EN-TR | ECS晶振 | ECX-64A | 14.31818MHz | -40°C ~ 85°C |
| ECS-200-18-23A-EN-TR | ECS晶振 | ECX-64A | 20MHz | -40°C ~ 85°C |
| ECS-200-18-23A-EN-TR | ECS晶振 | ECX-64A | 20MHz | -40°C ~ 85°C |
| ECS-200-18-23A-EN-TR | ECS晶振 | ECX-64A | 20MHz | -40°C ~ 85°C |
| ECS-270-18-23A-EN-TR | ECS晶振 | ECX-64A | 27MHz | -40°C ~ 85°C |
| ECS-270-18-23A-EN-TR | ECS晶振 | ECX-64A | 27MHz | -40°C ~ 85°C |
| ECS-270-18-23A-EN-TR | ECS晶振 | ECX-64A | 27MHz | -40°C ~ 85°C |
| ECS-400-18-23A-EN-TR | ECS晶振 | ECX-64A | 40MHz | -40°C ~ 85°C |
| ECS-400-18-23A-EN-TR | ECS晶振 | ECX-64A | 40MHz | -40°C ~ 85°C |
| ECS-400-18-23A-EN-TR | ECS晶振 | ECX-64A | 40MHz | -40°C ~ 85°C |
| ECS-286.3-18-23A-EN-TR | ECS晶振 | ECX-64A | 28.63636MHz | -40°C ~ 85°C |
| ECS-286.3-18-23A-EN-TR | ECS晶振 | ECX-64A | 28.63636MHz | -40°C ~ 85°C |
| ECS-286.3-18-23A-EN-TR | ECS晶振 | ECX-64A | 28.63636MHz | -40°C ~ 85°C |
| ECS-196.6-18-23A-EN-TR | ECS晶振 | ECX-64A | 19.6608MHz | -40°C ~ 85°C |
| ECS-196.6-18-23A-EN-TR | ECS晶振 | ECX-64A | 19.6608MHz | -40°C ~ 85°C |
| ECS-196.6-18-23A-EN-TR | ECS晶振 | ECX-64A | 19.6608MHz | -40°C ~ 85°C |
| ECS-160-S-23A-EN-TR | ECS晶振 | ECX-64A | 16MHz | -40°C ~ 85°C |
| ECS-160-S-23A-EN-TR | ECS晶振 | ECX-64A | 16MHz | -40°C ~ 85°C |
| ECS-160-S-23A-EN-TR | ECS晶振 | ECX-64A | 16MHz | -40°C ~ 85°C |
| ECS-240-S-23A-EN-TR | ECS晶振 | ECX-64A | 24MHz | -40°C ~ 85°C |
| ECS-240-S-23A-EN-TR | ECS晶振 | ECX-64A | 24MHz | -40°C ~ 85°C |
| ECS-240-S-23A-EN-TR | ECS晶振 | ECX-64A | 24MHz | -40°C ~ 85°C |


7015mm,32.768KHZ,224-000307-20,224系列音叉晶體,Oscilent無源晶振,奧斯康利四腳貼片晶振,水晶振動子,音叉諧振器,7015mm無源晶振,無源SMD晶體,陶瓷晶振,32.768K晶振,無源晶體,尺寸7.0*1.5mm,頻率32.768KHZ,高性能晶振,高質量晶振,無鉛晶振,可視化電話晶振,智能音響晶振,藍牙耳機晶振,智能水表晶振,時鐘晶振.

ELM11系列,AEL智能設備晶振,ELM11-36.000MHz-10-R60-D1X-T,2016mm,36MHZ,艾爾英國晶振,進口無源晶振,AEL Crystal,石英SMD晶振,無源晶振,石英水晶振動子,SMD晶振,四腳無源晶振,2016mm超小型晶體,尺寸2.0x1.6mm,頻率36MHZ,負載10pF,低耗能晶振,低成本晶振,高品質晶振,高性能晶振,智能穿戴晶振,筆記本電腦晶振,娛樂設備晶振,數字視頻晶振.