頻率:12MHZ
尺寸:3.2x2.5mm
S3M12.0000F-12E25-EXT,NKG無源晶體,6G通訊模塊晶振,尺寸為3.2x2.5mm,頻率12MHZ,香港NKG晶振,NKG Crystal,超小型晶體,水晶振動子,石英晶體諧振器,石英貼片晶體,SMD無源晶振,四腳貼片晶振,無源石英晶體,SMD晶體,低損耗石英晶振,高性能晶振,高品質石英晶振,藍牙專用晶振,無線通信晶振,移動產品晶振,可穿戴設備專用晶振,物聯網專用晶振,便攜式設備晶振,具有低損耗高品質的特點.
石英晶振通過合理的真空退火技術可提高晶振主要參數的穩定性,以及提高貼片石英晶振的年老化特性,很適合用于無線、藍牙,移動通信,便攜式設備,USB存儲設備等領域。S3M12.0000F-12E25-EXT,NKG無源晶體,6G通訊模塊晶振.
S3M12.0000F-12E25-EXT,NKG無源晶體,6G通訊模塊晶振,尺寸為3.2x2.5mm,頻率12MHZ,香港NKG晶振,NKG Crystal,超小型晶體,水晶振動子,石英晶體諧振器,石英貼片晶體,SMD無源晶振,四腳貼片晶振,無源石英晶體,SMD晶體,低損耗石英晶振,高性能晶振,高品質石英晶振,藍牙專用晶振,無線通信晶振,移動產品晶振,可穿戴設備專用晶振,物聯網專用晶振,便攜式設備晶振,具有低損耗高品質的特點.
石英晶振通過合理的真空退火技術可提高晶振主要參數的穩定性,以及提高貼片石英晶振的年老化特性,很適合用于無線、藍牙,移動通信,便攜式設備,USB存儲設備等領域。S3M12.0000F-12E25-EXT,NKG無源晶體,6G通訊模塊晶振.
S3M12.0000F-12E25-EXT,NKG無源晶體,6G通訊模塊晶振 參數表
| Parameter | Symbol | Specifications | Remarks | |||||||||
| Frequency range | FN | 12.0MHz |
Fundamental up to 60MHz Overtone above 54MHz |
|||||||||
| Cut and operation mode | — | AT-Cut / FUND or 3rd OT | ||||||||||
| Frequency tolerance | Δf/f | ±10ppm, ±20ppm, ±30ppm, ±50ppm | Other options available | |||||||||
| Stability over operating temp. | TC | ±10ppm, ±25ppm, ±50ppm, ±100ppm |
Depending on operating temperature range, other options available |
|||||||||
| Operating temperature range | TOP |
– 20°C ~+70°C or –40°C ~+85°C up to –40°C ~ +125°C |
Options available | |||||||||
| Load capacitance | CL | 6 to 32pF or SERIES | Please specify load capacitance | |||||||||
| Equivalent series resistance | ESR |
500Ω MAX 100Ω ~ 80? MAX 80Ω ~ 60? MAX 60Ω ~ 50? MAX 50Ω ~ 40? MAX 40Ω ~ 30? MAX 100Ω MAX |
FUND mode FUND mode FUND mode FUND mode FUND mode FUND mode 3rd OT mode |
8.000MHz 12 ~ 13MHz 13 ~ 16MHz 16 ~ 20MHz 20 ~ 26MHz 27 ~ 60MHz 54 ~120MHz |
||||||||
| Drive level | DL | 50µW TYP, 200µW MAX | — | |||||||||
| Aging first year | Δf/y1 | ±3ppm | @+25°C | |||||||||
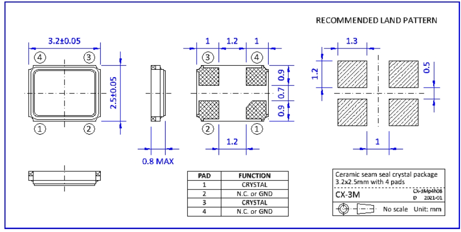
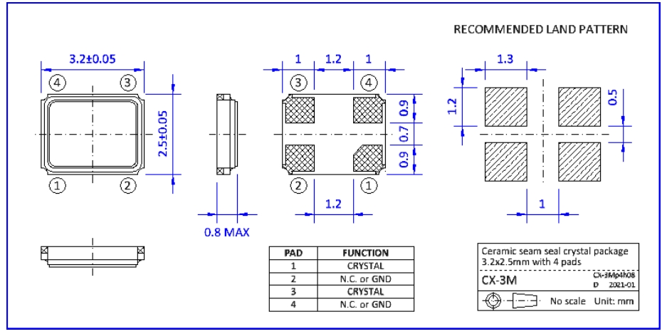
S3M12.0000F-12E25-EXT,NKG無源晶體,6G通訊模塊晶振 尺寸圖
貼片無源晶振產品特征:
微型包裝尺寸3.2 x 2.5 x 0.7mm,有4個襯墊。
優異的耐熱性和抗震性。
真空密封,可靠性高,老化率低。
符合AEC-Q200標準的汽車級產品可供選擇。
更多相關香港NKG石英晶體型號,請聯系我們!


