頻率:16~66MHz
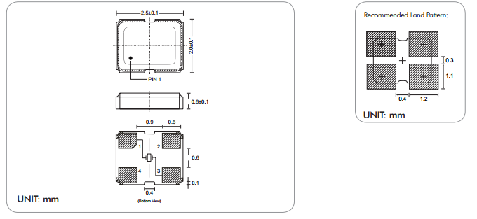
尺寸:2.5*2.0mm
亞陶晶振公司累積了多年對石英晶體振蕩器,高精密的石英晶體諧振器、普通有源晶振(PXO),有源晶振,壓控振蕩器的設計、制造經驗,迅速贏得市場認同,已陸續接獲國內外廠商訂單,并持續開發出最先進技術的高端石英晶振產品。除自有技術能力外,目前更結合母公司Pericom Semiconductor Corporation 之IC 與 FCP產品技術能力,以開發更高技術層次的高階石英晶體振蕩器產品。
百利通亞陶晶振,貼片晶振,FH晶振,FH1200004晶振,產品本身具有高穩定性,高可靠性的石英晶體諧振器,焊接方面支持表面貼裝,外觀采用金屬封裝,具有充分的密封性能,晶振本身能確保其高可靠性,采用編帶包裝,可對應產品應用到自動貼片機告訴安裝,滿足無鉛焊接的高溫回流溫度曲線要求.
貼片晶振的研發及生產超小型石英晶振完成晶片的設計特別是外形尺寸的設計是首要需解決的技術問題,公司在此方面通過理論與實踐相結合,模擬出一整套此石英晶振晶片設計的計算機程序,該程序晶振的晶片外形尺寸已全面應用并取得很好的效果。
|
亞陶晶振規格 |
單位 |
FH貼片晶振頻率范圍 |
石英晶振基本條件 |
|
標準頻率 |
f_nom |
16~66MHz |
標準頻率 |
|
儲存溫度 |
T_stg |
-55°C ~ +125°C |
裸存 |
|
工作溫度 |
T_use |
-40°C ~ +85°C |
標準溫度 |
|
激勵功率 |
DL |
200μW Max. |
推薦:1μW ~ 100μW |
|
頻率公差 |
f_— l |
±50 × 10-6 (標準), |
+25°C 對于超出標準的規格說明, |
|
頻率溫度特征 |
f_tem |
±30 × 10-6/-20°C ~ +70°C |
超出標準的規格請聯系我們. |
|
負載電容 |
CL |
7~32pF |
超出標準說明,請聯系我們. |
將晶振加熱包裝材料至+150°C以上會破壞產品特性或損害產品。如需在+150°C以上焊接石英晶振,建議使用SMD晶振產品。在下列回流條件下,對石英晶振產品甚至SMD貼片晶振使用更高溫度,會破壞晶振特性。建議使用下列配置情況的回流條件。安裝這些貼片晶振之前,應檢查焊接溫度和時間。同時,在安裝條件更改的情況下,請再次進行檢查。如果需要焊接的晶振產品在下列配置條件下進行焊接,請聯系我們以獲取耐熱的相關信息。
晶振產品的設計和生產直到出廠,都會經過嚴格的測試檢測來滿足它的規格要求。通過嚴格的出廠前可靠性測試以提供高質量高的可靠性的石英晶振.但是為了石英晶振的品質和可靠性,必須在適當的條件下存儲,安 裝,運輸。請注意以下的注意事項并在最佳的條件下使用產品,我們將對于客戶按自己的判斷而使用石英晶振所導致的不良不負任何責任。
百利通亞陶晶振環保方針:
亞陶百利通晶振減少污染物排放,對不可再生的資源進行有效利用。減少廢物的產生,對其排放的責任進行有效管理,有效地使用能源。通過設計工藝程序對員工進行培訓保護環境以及人們的健康和安全。提供安全使用和廢置我們的產品的信息,對環境有重大健康安全和環境的運營現狀進行糾正。
亞陶百利通晶振保持就健康安全環境問題與臨近攝取進行對話。通過在環境控制方面實施優秀的管理實踐,以保護環境和與強生公司全球運作相關的自然資源。向員工灌輸環境價值觀,在所有的產品和生產過程中應用最佳環境實用技術,為全球可持續發展做出貢獻。百利通亞陶晶振,貼片晶振,FH晶振,FH1200004晶振.


