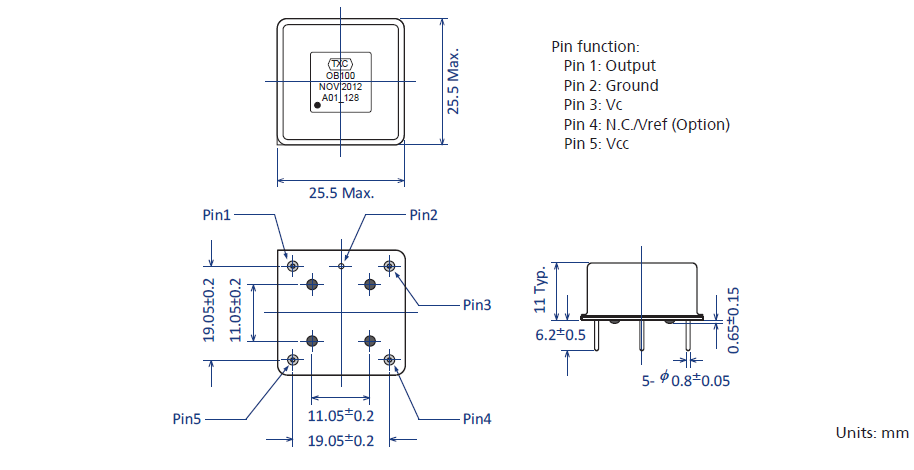
頻率:10, 12.8,,13,,16.384MHz
尺寸:25*25mm
TXC晶振公司是一家領先的專業頻率控制,溫補晶振,石英晶體振蕩器,石英晶體諧振器,石英晶體,石英晶振,有源晶振,壓控振蕩器等產品制造商致力于研究,設計,制造和銷售雙列直插封裝(DIP)和表面貼裝器件(SMD)石英晶體和振蕩器產品。TXC晶振目前專業從事這些類別的產品:晶體(32.768kHz,基本兆赫,高精度的兆赫,汽車級)
TXC晶振,石英晶振,OB晶振,貼片晶振本身體積小,超薄型石英晶體諧振器,特別適用于有目前高速發展的高端電子數碼產品,因為晶振本身小型化需求的市場領域,小型?薄型是對應陶瓷諧振器(偏差大)和普通的石英晶體諧振器(偏差小)的中間領域的一種性價比較出色的產品.
有源晶振高頻振蕩器使用IC與晶片設計匹配技術:有源晶振是高頻振蕩器研發及生產過程必須要解決的技術難題。在設計過程中除了要考慮石英晶體諧振器具有的電性外,還有石英晶體振蕩器的電極設計等其它的特殊性,必須考慮石英晶體振蕩器的供應電壓、起動電壓和產品上升時間、下降時間等相關參數。
|
項目 |
符號 |
OB晶振規格說明 |
條件 |
|
輸出頻率范圍 |
f0 |
10, 12.8,,13,,16.384MHz |
請聯系我們以便獲取其它可用頻率的相關信息 |
|
電源電壓 |
VCC |
3.3V,5V |
請聯系我們以了解更多相關信息 |
|
儲存溫度 |
T_stg |
-55℃ to +125℃ |
裸存 |
|
工作溫度 |
T_use |
G: -40℃ to +85℃ |
請聯系我們查看更多資料http://www.yancaiwang.com.cn |
|
H: -40℃ to +105℃ |
|||
|
J: -40℃ to +125℃ |
|||
|
頻率穩定度 |
f_tol |
J: ±50 × 10-6 |
|
|
L: ±100 × 10-6 |
|||
|
T: ±150 × 10-6 |
|||
|
功耗 |
ICC |
3.5 mA Max. |
無負載條件、最大工作頻率 |
|
待機電流 |
I_std |
3.3μA Max. |
ST=GND |
|
占空比 |
SYM |
45 % to 55 % |
50 % VCC 極, L_CMOS≦15 pF |
|
輸出電壓 |
VOH |
VCC-0.4V Min. |
|
|
VOL |
0.4 V Max. |
|
|
|
輸出負載條件 |
L_CMOS |
15 pF Max. |
|
|
輸入電壓 |
VIH |
80% VCC Max. |
ST 終端 |
|
VIL |
20 % VCC Max. |
||
|
上升/下降時間 |
tr / tf |
4 ns Max. |
20 % VCC to 80 % VCC 極, L_CMOS=15 pF |
|
振蕩啟動時間 |
t_str |
3 ms Max. |
t=0 at 90 % |
|
頻率老化 |
f_aging |
±3 × 10-6 / year Max. |
+25 ℃, 初年度,第一年 |
所有產品的共同點
1:抗沖擊
抗沖擊是指晶振產品可能會在某些條件下受到損壞。例如從桌上跌落,摔打,高空拋壓或在貼裝過程中受到沖擊。如果產品已受過沖擊請勿使用。因為無論何種石英晶振,其內部晶片都是石英晶振制作而成的,高空跌落摔打都會給晶振照成不良影響。
2:輻射
將貼片晶振暴露于輻射環境會導致產品性能受到損害,因此應避免陽光長時間的照射。
3:化學制劑 / pH值環境
請勿在PH值范圍可能導致腐蝕或溶解石英晶振或包裝材料的環境下使用或儲藏這些產品。
4:粘合劑
請勿使用可能導致石英晶振所用的封裝材料,終端,組件,玻璃材料以及氣相沉積材料等受到腐蝕的膠粘劑。(比如,氯基膠粘劑可能腐蝕一個晶振的金屬“蓋”,從而破壞密封質量,降低性能。)
5:鹵化合物
請勿在鹵素氣體環境下使用晶振。即使少量的鹵素氣體,比如在空氣中的氯氣內或封裝所用金屬部件內,都可能產生腐蝕。同時,請勿使用任何會釋放出鹵素氣體的樹脂。
6:靜電
過高的靜電可能會損壞貼片晶振,請注意抗靜電條件。請為容器和封裝材料選擇導電材料。在處理的時候,請使用電焊槍和無高電壓泄漏的測量電路,并進行接地操作。
TXC晶振環保方針:
將持續的環境、健康和安全方面的改進、污染預防和員工的努力納入日常運行當中。加強污染防治,減少現有的污染廢棄物以及在未來生產制造中所產生的污染。為確保安全、提高保護預防措施、產品的可靠性以及業安全,確保職業健康與環境的優越性,通過正式的管理評審和對健康、安全和環境實施效果的持續改進,保護人群及財產與環境。
以最小化使用危險材料、能源和其它資源為目的進行公司產品及服務的安全生產和使用,并確保回收利用。以防治污染、保存資源的方式進行商務運作,并積極地對以往的環境破壞進行揭露。持續改進,將環境管理與商務運行和決策過程高度集成,規范其行為。不斷進行持續改進的實踐。TXC晶振,石英晶振,OB晶振.



TCXO晶振產品很適合用于GPS定位,可視化智能家居,數字視頻,無線通信,移動電話,儀器儀表,測試測量專,游戲設備,移動電話、GNSS、工業無線通信設備等領域。DSB221SDN溫補振蕩器,1XXB32000PAA,大真空GPS定位晶振.