頻率:32.768KHz
尺寸:1.5*0.8mm
SiTime石英晶體振蕩器可編程架構使最靈活的產品具有更多的特性和超快的領導時間.為電子產品的微型化提供了支持,它提供了行業中最小的包的定時解決方案——小到1.5 x0.8毫米,以及減少組件計數的獨特功能.我們的產品通過將多個組件的功能組合在同一個包中來減少董事會空間.半導體公司正在集成我們的硅MEMS諧振器在其SOCs / ASICs中完全消除外部時鐘和簡化系統設計.
SITIME晶振,貼片晶振,SiT1533晶振,此款SMD晶體并且可以承受回流焊接的高溫,波峰焊接,回流焊接等,貼片表晶主要特點是該產品排帶包裝,焊接模式主要使用SMT焊接,給現代SMT工藝帶來高速的工作效率,32.768K系列產品本身具有體積小,厚度薄,重量輕等特點.
有源晶振高頻振蕩器使用IC與晶片設計匹配技術:有源晶振是高頻振蕩器研發及生產過程必須要解決的技術難題。在設計過程中除了要考慮石英晶體諧振器具有的電性外,還有石英晶體振蕩器的電極設計等其它的特殊性,必須考慮石英晶體振蕩器的供應電壓、起動電壓和產品上升時間、下降時間等相關參數。
|
項目 |
符號 |
SiT1534晶振規格說明 |
條件 |
|
輸出頻率范圍 |
f0 |
32.768KHz |
請聯系我們以便獲取其它可用頻率的相關信息 |
|
電源電壓 |
VCC |
1.2V to 3.63 V |
請聯系我們以了解更多相關信息 |
|
儲存溫度 |
T_stg |
-55℃ to +125℃ |
裸存 |
|
工作溫度 |
T_use |
G: -10℃ to +70℃ |
請聯系我們查看更多資料http://www.yancaiwang.com.cn |
|
H: -40℃ to +85℃ |
|||
|
|
|||
|
頻率穩定度 |
f_tol |
J: ±50 × 10-6 |
|
|
L: ±100 × 10-6 |
|||
|
T: ±150 × 10-6 |
|||
|
功耗 |
ICC |
3.5 mA Max. |
無負載條件、最大工作頻率 |
|
待機電流 |
I_std |
3.3μA Max. |
ST=GND |
|
占空比 |
SYM |
45 % to 55 % |
50 % VCC 極, L_CMOS≦15 pF |
|
輸出電壓 |
VOH |
VCC-0.4V Min. |
|
|
VOL |
0.4 V Max. |
|
|
|
輸出負載條件 |
L_CMOS |
15 pF Max. |
|
|
輸入電壓 |
VIH |
80% VCC Max. |
ST 終端 |
|
VIL |
20 % VCC Max. |
||
|
上升/下降時間 |
tr / tf |
4 ns Max. |
20 % VCC to 80 % VCC 極, L_CMOS=15 pF |
|
振蕩啟動時間 |
t_str |
3 ms Max. |
t=0 at 90 % |
|
頻率老化 |
f_aging |
±3 × 10-6 / year Max. |
+25 ℃, 初年度,第一年 |
設計指導
(1) 理想情況下,機械蜂鳴器應安裝在一個獨立于晶體器件的PCB板上。如果您安裝在同一個PCB板上,最好使用余量或切割PCB。當應用于PCB板本身或PCB板體內部時,機械振動程度有所不同。建議遵照內部板體特性。
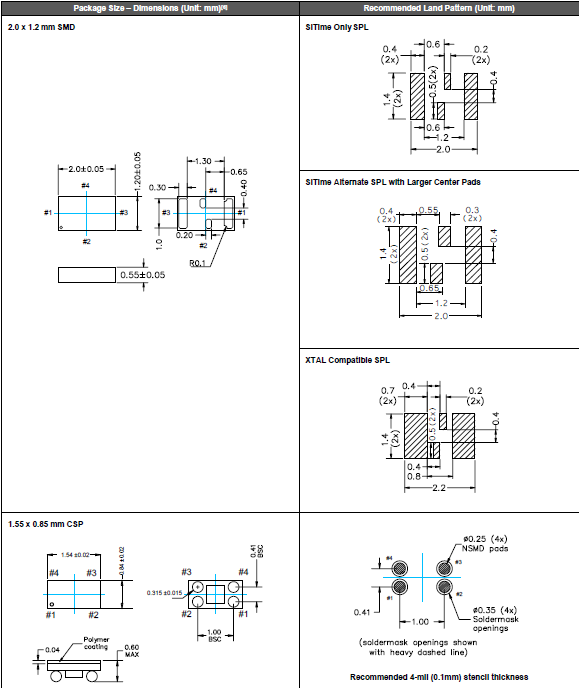
(2) 在設計時請參考相應的推薦封裝。
(3) 在使用焊料助焊劑時,按JIS標準(JIS C 60068-2-20/IEC 60,068-2-20).來使用。
(4) 請按JIS標準(JIS Z 3282, Pb 含量 1000ppm, 0.1wt% 或更少)來使用無鉛焊料。
存儲事項
(1) 在更高或更低溫度或高濕度環境下長時間保存晶振時,會影響頻率穩定性或焊接性。請在正常溫度和濕度環境下保存這些石英晶振產品,并在開封后盡可能進行安裝,以免長期儲藏。
正常溫度和濕度:
溫度:+15°C 至 +35°C,濕度 25 % RH 至 85 % RH(請參閱“測試點JIS C 60068-1 / IEC 60068-1的標準條件”章節內容)。
(2) 請仔細處理內外盒與卷帶。外部壓力會導致卷帶受到損壞。
Sitime晶振環保方針:
SiTime晶振集團將建立可行的技術及經濟性環境目標,并確保其環境保護活動的質量.集團公司將關注所有環境適用的法律、法規和協議的遵守情況.另外為更有效的進行環境保護,將建立自己的特有的環境標準.集團將在各領域內的商務運作中實施持續改進,包括能源資源的保持,回收再利用以及減少晶振,石英晶振, 石英水晶振蕩子材料廢棄物等.
SiTime晶振減少污染物排放,對不可再生的資源進行有效利用.減少廢物的產生,對其排放的責任進行有效管理,有效地使用能源.通過設計工藝程序對員工進行培訓保護環境以及人們的健康和安全.提供安全使用和廢置我們的產品的信息,對環境有重大健康安全和環境的運營現狀進行糾正.SITIME晶振,貼片晶振,SiT1534晶振.

