HC49SM-12M000-1C50B16,Fortiming石英晶振,HC49SM系列晶振,12MHZ,美國富通晶振,進口石英晶振,大尺寸晶振,石英貼片晶振,水晶振動子,石英晶體諧振器,12MHZ無源晶振,SMD晶振,尺寸10.3*3.8mm,頻率12MHZ,負載16pF,工作溫度-40~+85°C,無鉛環保晶振,低成本晶振,低損耗晶振,高性能晶振,高質量晶振,微處理器晶體,蜂窩電話晶振,無線局域網晶振,藍牙晶振,室外基站晶振.
HC49SM-12M000-1C50B16,Fortiming石英晶振,HC49SM系列晶振,12MHZ特點:
符合RoHS標準(無鉛),薄型表面安裝封裝
AT切割晶體,出色的時效性,擴展的溫度范圍
行業標準SMD晶振封裝
低成本、流行的微處理器晶體
HC49SM-12M000-1C50B16,Fortiming石英晶振,HC49SM系列晶振,12MHZ 參數表
| Frequency Range | 12.000 MHz | ||
| Resonance Mode | 1 = Fundamental (3.5 to 36 MHz);3 = 3rd Overtone (27 to 70 MHz) | ||
| Package Option | HC49SM = 4.0 mm Height;HC49SSM = 3.0 mm Height | ||
| Calibration Tolerance @25°C | A = ±50 ppm;B = ±30 ppm;C = ±20 ppm;D = ±15 ppm;E = ±10 ppm | ||
| Frequency Stability Ref @25°C | 100 = ±100 ppm;50 = ±50 ppm;30 = ±30 ppm | ||
| Temperature Range | A = 0°C to 70°C;B = -40°C to 85°C;C = -10°C to 60°C;D = -20°C to 70°C | ||
| Crystal Aging | ±5 ppm / year Maximum | ||
| Storage Temperature | -55°C to 125°C | ||
| Load Capacitance (CL) | CL = 18 pF (Standard), 16 pF, 20 pF, others, or S = Series resonant | ||
| Shunt Capacitance | 7 pF Maximum | ||
| Drive Level | 0.1 mW Typical, 1 mW Maximum | ||
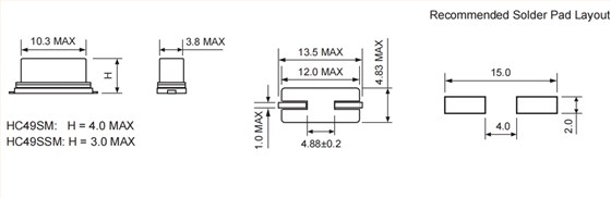
HC49SM-12M000-1C50B16,Fortiming石英晶振,HC49SM系列晶振,12MHZ 尺寸圖





Abracon晶振,ABC2-18.432MHZ-2-T,ABC2無源晶振,通訊晶振
5032mm,ABM3B-16.000MHZ-10-1-U-T,Abracon無線應用晶振
12MHz,ABLS-12.000MHZ-20-B4Y-T,ABLS,Abracon無線應用晶振
C3291-12.288,C3291,12.288MHz,7050mm,Crystek以太網應用晶振
CWX813-020.48M,20.48MHz,7050mm,ConnorWinfield時鐘振蕩器,導航晶振
CE3390-24.000,24MHz,7050mm,Crystek以太網應用晶振
M12531JM12 12.000000,12MHz,3225mm,MtronPTI藍牙應用晶振
RH100-48.000-18-F-3030-TR,48MHz,Raltron藍牙晶振,3225mm諧振器
FC4SDCBMF12.288-T1,12.288MHz,FOX高質量晶振,SMD石英晶體


