頻率:24.576MHZ
尺寸:7.0×5.0mm
有源晶振產品被廣泛應用各個領域之中,適合于以太網,5G基站,IEEE1588應用,北斗導航,網絡設備,儀器儀表,多媒體設備,視聽設備等應用。KT7050A24576KAW33TAD,KT7050A以太網晶振,京瓷進口TCXO振蕩器.
有源晶振產品被廣泛應用各個領域之中,適合于以太網,5G基站,IEEE1588應用,北斗導航,網絡設備,儀器儀表,多媒體設備,視聽設備等應用。KT7050A24576KAW33TAD,KT7050A以太網晶振,京瓷進口TCXO振蕩器.
KT7050A24576KAW33TAD,KT7050A以太網晶振,京瓷進口TCXO振蕩器 參數表
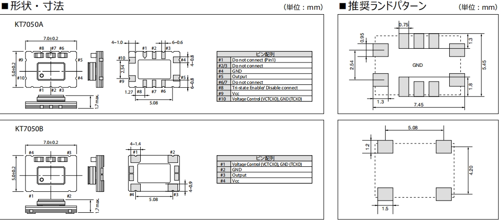
KT7050A24576KAW33TAD,KT7050A以太網晶振,京瓷進口TCXO振蕩器 尺寸圖
KT7050A24576KAW33TAD,KT7050A以太網晶振,京瓷進口TCXO振蕩器
溫度補償晶振產品特性:
高精度,高可靠性
電源電壓:支持2.3~3.63 V
可選擇夾緊正弦波/CMOS輸出
低相位噪聲產品
禁用功能(KT7050A)-40~105℃(可選)
| Manufacturer Part Number | 進口晶振 | Series | Frequency 頻率 | Voltage - Supply電壓 | Operating Temperature 工作溫度 |
| MC2016K27.0000C16ESH | AVX Corp/Kyocera Corp | MC2016K, Kyocera | 27MHz | 1.6 V ~ 3.63 V | -40°C ~ 105°C |
| MC2016K42.0000C16ESH | AVX Corp/Kyocera Corp | MC2016K, Kyocera | 42MHz | 1.6 V ~ 3.63 V | -40°C ~ 105°C |
| MC2016K60.0000C16ESH | AVX Corp/Kyocera Corp | MC2016K, Kyocera | 60MHz | 1.6 V ~ 3.63 V | -40°C ~ 105°C |
| KT2520K40000DAW18TAS | AVX Corp/Kyocera Corp | KT2520K, Kyocera | 40MHz | 1.8V | -40°C ~ 85°C |
| KT2016K26000BCW18ZAS | AVX Corp/Kyocera Corp | KT2016, Kyocera | 26MHz | 1.8V | -30°C ~ 85°C |
| KT2520K26000CCW18ZUS | AVX Corp/Kyocera Corp | KT2520, Kyocera | 26MHz | 1.8V | -30°C ~ 85°C |
| KT2520K26000DCW28QAS | AVX Corp/Kyocera Corp | KT2520, Kyocera | 26MHz | 2.8V | -30°C ~ 85°C |
| KT2520F16369ACW18TAG | AVX Corp/Kyocera Corp | KT2520F, Kyocera | 16.369MHz | 1.8V | -30°C ~ 85°C |
| KT2520F16800ACW28TAK | AVX Corp/Kyocera Corp | KT2520F, Kyocera | 16.8MHz | 2.8V | -30°C ~ 85°C |
| KT2520F37400ZAW18TBK | AVX Corp/Kyocera Corp | KT2520F, Kyocera | 37.4MHz | 1.8V | -40°C ~ 85°C |
| MC2016K30.0000C16ESH | AVX Corp/Kyocera Corp | MC2016K, Kyocera | 30MHz | 1.6 V ~ 3.63 V | -40°C ~ 105°C |
| MC2016K28.6364C16ESH | AVX Corp/Kyocera Corp | MC2016K, Kyocera | 28.63636MHz | 1.6 V ~ 3.63 V | -40°C ~ 105°C |
| MC2016K40.0000C16ESH | AVX Corp/Kyocera Corp | MC2016K, Kyocera | 40MHz | 1.6 V ~ 3.63 V | -40°C ~ 105°C |
| MC2016K48.0000C16ESH | AVX Corp/Kyocera Corp | MC2016K, Kyocera | 48MHz | 1.6 V ~ 3.63 V | -40°C ~ 105°C |
| MC2016K32.0000C16ESH | AVX Corp/Kyocera Corp | MC2016K, Kyocera | 32MHz | 1.6 V ~ 3.63 V | -40°C ~ 105°C |
| MC2016K25.0000C16ESH | AVX Corp/Kyocera Corp | MC2016K, Kyocera | 25MHz | 1.6 V ~ 3.63 V | -40°C ~ 105°C |
| MC2016K24.0000C16ESH | AVX Corp/Kyocera Corp | MC2016K, Kyocera | 24MHz | 1.6 V ~ 3.63 V | -40°C ~ 105°C |
| MC2016K50.0000C16ESH | AVX Corp/Kyocera Corp | MC2016K, Kyocera | 50MHz | 1.6 V ~ 3.63 V | -40°C ~ 105°C |
| MC2016K20.0000C16ESH | AVX Corp/Kyocera Corp | MC2016K, Kyocera | 20MHz | 1.6 V ~ 3.63 V | -40°C ~ 105°C |
| KT2520K26000AAW18TAS | AVX Corp/Kyocera Corp | KT2520K, Kyocera | 26MHz | 1.8V | -30°C ~ 85°C |
| KT2016A26000ACW18TLG | AVX Corp/Kyocera Corp | KT2016A, Kyocera | 26MHz | 1.8V | -30°C ~ 85°C |
| KT2520F16369ACW28TAK | AVX Corp/Kyocera Corp | KT2520F, Kyocera | 16.369MHz | 2.8V | -30°C ~ 85°C |
| KT2520F38400DEV30TAK | AVX Corp/Kyocera Corp | KT2520F, Kyocera | 38.4MHz | 3V | -20°C ~ 80°C |
| KT2520F26000ZAW18TKK | AVX Corp/Kyocera Corp | KT2520F, Kyocera | 26MHz | 1.8V | -40°C ~ 85°C |
| KC7050P125.000L30E00 | AVX Corp/Kyocera Corp | KC7050P-L3, Kyocera | 125MHz | 3.3V | 0°C ~ 70°C |
| KC7050P100.000L30E00 | AVX Corp/Kyocera Corp | KC7050P-L3, Kyocera | 100MHz | 3.3V | 0°C ~ 70°C |
| KC7050P156.250L30E00 | AVX Corp/Kyocera Corp | KC7050P-L3, Kyocera | 156.25MHz | 3.3V | 0°C ~ 70°C |
| KC7050P100.000P30E00 | AVX Corp/Kyocera Corp | KC7050P-P3, Kyocera | 100MHz | 3.3V | 0°C ~ 70°C |
| KT7050A20000KAW33TAD | AVX Corp/Kyocera Corp | KT7050, Kyocera | 20MHz | 3.3V | -40°C ~ 85°C |
| KT7050A24576KAW33TAD | AVX Corp/Kyocera Corp | KT7050, Kyocera | 24.576MHz | 3.3V | -40°C ~ 85°C |
| KT3225F16367ACW30TA0 | AVX Corp/Kyocera Corp | KT3225F, Kyocera | 16.367MHz | 3V | -30°C ~ 85°C |
| KT3225F16369ACW28TA0 | AVX Corp/Kyocera Corp | KT3225F, Kyocera | 16.369MHz | 2.8V | -30°C ~ 85°C |
| KT3225F27456ZAW28TA0 | AVX Corp/Kyocera Corp | KT3225F, Kyocera | 27.456MHz | 2.8V | -40°C ~ 85°C |
| KT2520F27456ZAW28TBA | AVX Corp/Kyocera Corp | KT2520F, Kyocera | 27.456MHz | 2.8V | -40°C ~ 85°C |
| KC7050P106.250P30E00 | AVX Corp/Kyocera Corp | KC7050P-P3, Kyocera | 106.25MHz | 3.3V | 0°C ~ 70°C |
| KC7050P156.250P30E00 | AVX Corp/Kyocera Corp | KC7050P-P3, Kyocera | 156.25MHz | 3.3V | 0°C ~ 70°C |
| KC7050P155.520P30E00 | AVX Corp/Kyocera Corp | KC7050P-P3, Kyocera | 155.52MHz | 3.3V | 0°C ~ 70°C |
| KC7050T312.500P30E00 | AVX Corp/Kyocera Corp | KC7050T-P3, Kyocera | 312.5MHz | 3.3V | 0°C ~ 70°C |
| KT2520K26000ZAW18TAS | AVX Corp/Kyocera Corp | KT2520, Kyocera | 26MHz | 1.8V | -40°C ~ 85°C |
| KT3225T32768EAW30TAA | AVX Corp/Kyocera Corp | KT3225T, Kyocera | 32.768kHz | 3V | -40°C ~ 85°C |
| KC7050P150.000L30E00 | AVX Corp/Kyocera Corp | KC7050P-L3, Kyocera | 150MHz | 3.3V | 0°C ~ 70°C |
| KT2520K26000ACW18TAS | AVX Corp/Kyocera Corp | KT2520, Kyocera | 26MHz | 1.8V | -30°C ~ 85°C |
| KT2520F38400ZAW18TEK | AVX Corp/Kyocera Corp | KT2520F, Kyocera | 38.4MHz | 1.8V | -40°C ~ 85°C |
| KT2016A26000ECW18TLG | AVX Corp/Kyocera Corp | KT2016A, Kyocera | 26MHz | 1.8V | -30°C ~ 85°C |
| KT2016A52000ECW18TEG | AVX Corp/Kyocera Corp | KT2016A, Kyocera | 52MHz | 1.8V | -30°C ~ 85°C |
| KT1612A26000ECW18TBA | AVX Corp/Kyocera Corp | KT1612A, Kyocera | 26MHz | 1.8V | -30°C ~ 85°C |
| KT1612A52000ECW18TAA | AVX Corp/Kyocera Corp | KT1612A, Kyocera | 52MHz | 1.8V | -30°C ~ 85°C |
| KT3225T32768DAW33T | AVX Corp/Kyocera Corp | KT3225T, Kyocera | 32.768kHz | 3.3V | -40°C ~ 85°C |
| KT2016A20000ACW18TAG | AVX Corp/Kyocera Corp | KT2016A, Kyocera | 20MHz | 1.8V | -30°C ~ 85°C |
| KC7050P125.000P30E00 | AVX Corp/Kyocera Corp | KC7050P-P3, Kyocera | 125MHz | 3.3V | 0°C ~ 70°C |
| KC7050P155.520L30E00 | AVX Corp/Kyocera Corp | KC7050P-L3, Kyocera | 155.52MHz | 3.3V | 0°C ~ 70°C |
| KT2520Y40000ECV28TBA | AVX Corp/Kyocera Corp | KT2520Y, Kyocera | 40MHz | 2.8V | -30°C ~ 80°C |
| KC7050T156.250P20E00 | KyoceraCrystal | KC7050T-P2, Kyocera | 156.25MHz | 2.5V | 0°C ~ 70°C |
| KC7050T200.000P20E00 | AVX Corp/Kyocera Corp | KC7050T-P2, Kyocera | 200MHz | 2.5V | 0°C ~ 70°C |
| KC7050T250.000P20E00 | AVX Corp/Kyocera Corp | KC7050T-P2, Kyocera | 250MHz | 2.5V | 0°C ~ 70°C |
| KC7050T312.500P20E00 | AVX Corp/Kyocera Corp | KC7050T-P2, Kyocera | 312.5MHz | 2.5V | 0°C ~ 70°C |
| KC7050T156.250P30E00 | AVX Corp/Kyocera Corp | KC7050T-P3, Kyocera | 156.25MHz | 3.3V | 0°C ~ 70°C |
| KC7050T200.000P30E00 | AVX Corp/Kyocera Corp | KC7050T-P3, Kyocera | 200MHz | 3.3V | 0°C ~ 70°C |
| KC7050T250.000P30E00 | AVX Corp/Kyocera Corp | KC7050T-P3, Kyocera | 250MHz | 3.3V | 0°C ~ 70°C |
| KC7050T156.250L20E00 | AVX Corp/Kyocera Corp | KC7050T-L2, Kyocera | 156.25MHz | 2.5V | 0°C ~ 70°C |
| KC7050T156.250L30E00 | AVX Corp/Kyocera Corp | KC7050T-L3, Kyocera | 156.25MHz | 3.3V | 0°C ~ 70°C |
| KC7050T200.000L20E00 | AVX Corp/Kyocera Corp | KC7050T-L2, Kyocera | 200MHz | 2.5V | 0°C ~ 70°C |
| KC7050T200.000L30E00 | AVX Corp/Kyocera Corp | KC7050T-L3, Kyocera | 200MHz | 3.3V | 0°C ~ 70°C |
| KC7050T250.000L20E00 | AVX Corp/Kyocera Corp | KC7050T-L2, Kyocera | 250MHz | 2.5V | 0°C ~ 70°C |
| KC7050T250.000L30E00 | AVX Corp/Kyocera Corp | KC7050T-L3, Kyocera | 250MHz | 3.3V | 0°C ~ 70°C |
| KC7050T312.500L20E00 | AVX Corp/Kyocera Corp | KC7050T-L2, Kyocera | 312.5MHz | 2.5V | 0°C ~ 70°C |
| KC7050T312.500L30E00 | AVX Corp/Kyocera Corp | KC7050T-L3, Kyocera | 312.5MHz | 3.3V | 0°C ~ 70°C |
| KC7050T156.250L3AEYF | AVX Corp/Kyocera Corp | KC7050T-L3, Kyocera | 156.25MHz | 3.3V | -5°C ~ 85°C |
| KC7050T212.500L3AEYF | AVX Corp/Kyocera Corp | KC7050T-L3, Kyocera | 212.5MHz | 3.3V | -5°C ~ 85°C |
| KC7050T212.500P3AEYG | AVX Corp/Kyocera Corp | KC7050T-P3, Kyocera | 212.5MHz | 3.3V | -5°C ~ 85°C |



406系列有源晶振,米利倫TCXO晶振,3225mm小體積振蕩器,尺寸3.2x2.5mm,頻率10~52MHZ,加拿大進口晶振,MTI-milliren石英振蕩器,3225mm溫補振蕩器,四腳有源振蕩器,石英溫補晶振,TCXO晶振,貼片溫補振蕩器,高質量有源晶振,高性能有源晶振,低損耗有源晶振,低耗能有源晶振,低相位有源晶振,低相噪有源晶振,室外基站有源晶振,北斗定位有源晶振,通訊模塊有源晶振,智能家居有源晶振,網絡設備有源晶振,以太網有源晶振,具有超高的可靠性能。
溫度補償晶振產品超級適合用于室外基站,北斗定位,通訊模塊,智能家居,網絡設備,以太網等應用領域。406系列有源晶振,米利倫TCXO晶振,3225mm小體積振蕩器.