頻率:1.8432~250MHz
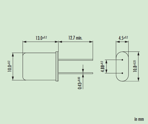
尺寸:10.8*4.5mm
Jauch晶振集團是石英晶體、晶體振蕩器和電池技術的主要專家之一.公司成立于1954年,現在是一家領先的壓電石英晶體元器件、壓電石英晶體、有源晶體頻率控制產品行業的公司,最近也有創新的MEMS計時時鐘.Jauch晶振深入的技術咨詢、高應用程序和認證技術、先進的測試環境、高可用性和快速交付的產品以及世界上最大的頻率生成設備倉庫.
Jauch晶振,石英晶振,HC49/U晶振,產品本身具有高穩定性,高可靠性的石英晶體諧振器,焊接方面支持表面貼裝,外觀采用金屬封裝,具有充分的密封性能,晶振本身能確保其高可靠性,采用編帶包裝,可對應產品應用到自動貼片機告訴安裝,滿足無鉛焊接的高溫回流溫度曲線要求.
晶振的真空封裝技術:是指石英晶振在真空封裝區域內進行封裝。1.防止外界氣體進入組件體內受到污染和增加應力的產生;2.使晶振組件在真空下電阻減小;3.氣密性高。此技術為研發及生產超小型、超薄型石英晶振必須攻克的關鍵技術之一.
|
Jauch晶振規格 |
單位 |
HC49/U晶振頻率范圍 |
石英晶振基本條件 |
|
標準頻率 |
f_nom |
1.8432~250MHz |
標準頻率 |
|
儲存溫度 |
T_stg |
-55°C ~ +125°C |
裸存 |
|
工作溫度 |
T_use |
-40°C ~ +85°C |
標準溫度 |
|
激勵功率 |
DL |
200μW Max. |
推薦:1μW ~ 100μW |
|
頻率公差 |
f_— l |
±50 × 10-6 (標準), |
+25°C 對于超出標準的規格說明,請聯系我們以便獲取相關的信息, http://www.yancaiwang.com.cn |
|
頻率溫度特征 |
f_tem |
±30 × 10-6/-20°C ~ +70°C |
超出標準的規格請聯系我們. |
|
負載電容 |
CL |
8~32PF |
不同負載電容要求,請聯系我們. |
|
串聯電阻(ESR) |
R1 |
如下表所示 |
-40°C — +85°C, DL = 100μW |
|
頻率老化 |
f_age |
±5 × 10-6 / year Max. |
+25°C,第一年 |
超聲波清洗
(1)使用AT-切割晶體和表面面濾波器波(SAW)/聲表面諧振器的產品,可以通過超聲波進行清洗。但是,在某些條件下, 晶振特性可能會受到影響,而且內部線路可能受到損壞。確保已事先檢查系統的適用性。
(2)使用音叉晶體和陀螺儀傳感器的產品無法確保能夠通過超聲波方法進行清洗,因為晶振可能受到破壞。
(3)請勿清洗開啟式晶振產品
(4)對于可清洗晶振產品,應避免使用可能對產品產生負面影響的清洗劑或溶劑等。
(5)焊料助焊劑的殘留會吸收水分并凝固。這會引起諸如位移等其它現象。這將會負面影響產品的可靠性和質量。請清理殘余的助焊劑并烘干PCB。請勿用鑷子或任何堅硬的工具,夾具直接接觸IC的表面。Jauch晶振,石英晶振,HC49/U晶振.
Jauch晶振環保方針:
Jauch晶振嚴格遵守國家有關工程建設法律、法規,不斷提高員工的質量意識和能力,履行合約、信守承諾,堅持開拓創新,不斷提升企業的施工技術素質和質量管理水平,以科學學嚴密的施工管理和真誠的服務讓業主高度滿意. 嚴格遵守國家職業安全健康法律、法規,培養員工的安全意識和能力,持續改進職業安全健康管理績效,預先采取安全措施,消除或降低危險,優先選用安全系數高的石英晶振, 石英晶體諧振器,石英晶體材料、設備及工藝,提高事故預防水平,創造良好的工作環境,保障員工的身心健康.
Jauch晶振自覺遵守有關環境法律、法規,培養員工的環保意識和能力,持續改進環保績效,優先使用石英晶體諧振器,石英晶體環保型材料、設備及施工工藝,做到污染預防,最終創建具有環保、節能、適宜性特征的優質工程.


