頻率:156.25MHZ
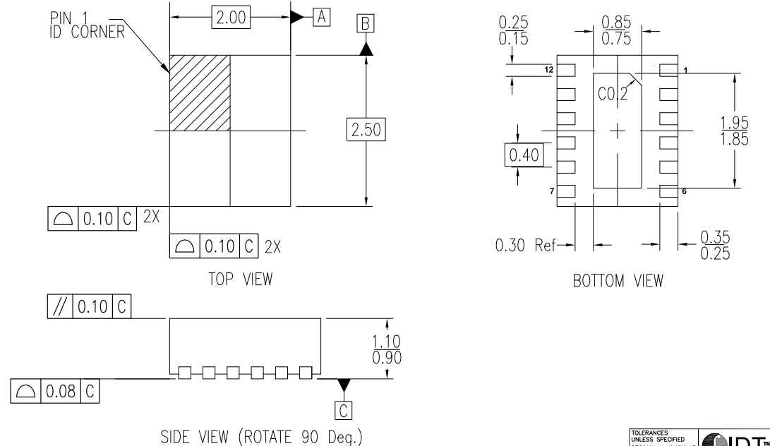
尺寸:2.5x2.0mm
XF設備是基于石英的超低相位噪聲PLL支持大范圍頻率和輸出的OSC振蕩器接口類型。這些設備設計為在三具有多種引腳輸出配置的不同電源作為兩個操作溫度范圍。XF設備可以編程以生成輸出頻率從15MHz到2100MHz,分辨率低至1Hz精度。Renesas瑞薩晶振 XFP236156.250000I 6G無線晶振.
XF設備是基于石英的超低相位噪聲PLL支持大范圍頻率和輸出的OSC振蕩器接口類型。這些設備設計為在三具有多種引腳輸出配置的不同電源作為兩個操作溫度范圍。XF設備可以編程以生成輸出頻率從15MHz到2100MHz,分辨率低至1Hz精度。Renesas瑞薩晶振 XFP236156.250000I 6G無線晶振.
Renesas瑞薩晶振 XFP236156.250000I 6G無線晶振 參數表
Renesas瑞薩晶振 XFP236156.250000I 6G無線晶振 尺寸圖
差分晶振產品特性:
輸出類型:LVDS、LVPECL、CML
頻率范圍:15MHz至2100MHz
輸出類型:HCSL
頻率范圍:15MHz至725MHz
電源電壓選項:1.8V、2.5V或3.3V
相位抖動(12kHz至20MHz):典型值為120fs
程序包選項:
5.0×3.2毫米
3.2×2.5毫米
2.5×2.0毫米
工作溫度和頻率穩定性:
-40°C至+85°C,±25ppm
-40°C至+105°C,±50ppm
更多相關美國瑞薩晶振型號
| Mfr Part # | 美國進口晶振 | Description | Series | Frequency | Output | Voltage - Supply |
| XFC236156.250000I | Renesas晶振 | XTAL OSC XO 156.2500MHZ CML SMD | XFC | 156.25 MHz | CML | 3.3V |
| XFP236625.000000I | Renesas晶振 | XTAL OSC XO 625.0000MHZ LVPECL | XFP | 625 MHz | LVPECL | 3.3V |
| XFP236312.500000I | Renesas晶振 | XTAL OSC XO 312.5000MHZ LVPECL | XFP | 312.5 MHz | LVPECL | 3.3V |
| XFP536625.000000I | Renesas晶振 | 625.000000 MHZ 3.3VDC LVPECL 503 | XF | 625 MHz | LVPECL | 3.3V |
| XFN516100.000000I | Renesas晶振 | 100.000000 MHZ 1.8VDC HCSL 5032 | XF | 100 MHz | HCSL | 1.8V |
| XFL526125.000000I | Renesas晶振 | 125.000000 MHZ 2.5VDC LVDS 5032 | XF | 125 MHz | LVDS | 2.5V |
| XFP236156.250000I | Renesas晶振 | XTAL OSC XO 156.2500MHZ LVPECL | XFP | 156.25 MHz | LVPECL | 3.3V |
| XFL235837.500000K | Renesas晶振 | DFN 2.00X2.50X1.00 MM, 0.40MM PI | XF | 837.5 MHz | LVDS | 3.3V |
| XFP235156.250000K | Renesas晶振 | DFN 2.00X2.50X1.00 MM, 0.40MM PI | XF | 156.25 MHz | LVPECL | 3.3V |
| XFN336100.000000I | Renesas晶振 | 100.000000 MHZ 3.3VDC HCSL 3225 | XF | 100 MHz | HCSL | 3.3V |
| XFP336312.500000I | Renesas晶振 | 312.500000 MHZ 3.3VDC LVPECL 322 | XF | 312.5 MHz | LVPECL | 3.3V |
| XFL336156.250000I | Renesas晶振 | 156.250000 MHZ 3.3VDC LVDS 3225 | XF | 156.25 MHz | LVDS | 3.3V |
| XFP236148.500000I | Renesas晶振 | DFN 2.00X2.50X1.00 MM, 0.40MM PI | XF | 148.5 MHz | LVPECL | 3.3V |
| XFN236100.000000I | Renesas晶振 | DFN 2.00X2.50X1.00 MM, 0.40MM PI | XF | 100 MHz | HCSL | 3.3V |
| XFL516100.000000I | Renesas晶振 | XTAL OSC XO 100.0000MHZ LVDS SMD | XF | 100 MHz | LVDS | 1.8V |
| XFL536125.000000I | Renesas晶振 | XTAL OSC XO 125.0000MHZ LVDS SMD | XF | 125 MHz | LVDS | 3.3V |
| XFL336032.768000I | Renesas晶振 | XTAL OSC XO 32.7680MHZ LVDS SMD | XF | 32.768 MHz | LVDS | 3.3V |
| XFL316125.000000I | Renesas晶振 | XTAL OSC XO 125.0000MHZ LVDS SMD | XF | 125 MHz | LVDS | 1.8V |
| XFP526156.250000I | Renesas晶振 | XTAL OSC XO 156.2500MHZ LVPECL | XF | 156.25 MHz | LVPECL | 2.5V |
| XFP536025.000000I | Renesas晶振 | XTAL OSC XO 25.0000MHZ LVPECL | XF | 25 MHz | LVPECL | 3.3V |
| XFL336333.330000I | Renesas晶振 | XTAL OSC XO 333.3300MHZ LVDS SMD | XF | 333.33 MHz | LVDS | 3.3V |
| XFL336032.000000I | Renesas晶振 | XTAL OSC XO 32.0000MHZ LVDS SMD | XF | 32 MHz | LVDS | 3.3V |
| XFL526032.000000I | Renesas晶振 | XTAL OSC XO 32.0000MHZ LVDS SMD | XF | 32 MHz | LVDS | 2.5V |
| XFL336333.333333I | Renesas晶振 | XTAL OSC XO 333.333333MHZ LVDS | XF | 333.333333 MHz | LVDS | 3.3V |
| XFL336125.000000I | Renesas晶振 | XTAL OSC XO 125.0000MHZ LVDS SMD | XF | 125 MHz | LVDS | 3.3V |
| XFL516500.000000I | Renesas晶振 | XTAL OSC XO 500.0000MHZ LVDS SMD | XF | 500 MHz | LVDS | 1.8V |
| XFL316300.000000I | Renesas晶振 | XTAL OSC XO 300.0000MHZ LVDS SMD | XF | 300 MHz | LVDS | 1.8V |
| XFL336148.425824I | Renesas晶振 | XTAL OSC XO 148.425824MHZ LVDS | XF | 148.425824 MHz | LVDS | 3.3V |
| XFL336161.132812I | Renesas晶振 | XTAL OSC XO 161.132812MHZ LVDS | XF | 161.132812 MHz | LVDS | 3.3V |
| XFP336161.132812I | Renesas晶振 | XTAL OS XO 161.132812MHZ LVPECL | XF | 161.132812 MHz | LVPECL | 3.3V |
| XFL536026.000000I | Renesas晶振 | XTAL OSC XO 26.0000MHZ LVDS SMD | XF | 26 MHz | LVDS | 3.3V |
| XFL536100.000000I | Renesas晶振 | XTAL OSC XO 100.0000MHZ LVDS SMD | XF | 100 MHz | LVDS | 3.3V |
| XFL336096.000000I | Renesas晶振 | XTAL OSC XO 96.0000MHZ LVDS SMD | XF | 96 MHz | LVDS | 3.3V |
| XFL336048.000000I | Renesas晶振 | XTAL OSC XO 48.0000MHZ LVDS SMD | XF | 48 MHz | LVDS | 3.3V |
| XFL336333.333000I | Renesas晶振 | XTAL OSC XO 333.3330MHZ LVDS SMD | XF | 333.333 MHz | LVDS | 3.3V |
| XFP536156.250000I | Renesas晶振 | XTAL OSC XO 156.2500MHZ LVPECL | XF | 156.25 MHz | LVPECL | 3.3V |
| XFL336450.000000I | Renesas晶振 | XTAL OSC XO 450.0000MHZ LVDS SMD | XF | 450 MHz | LVDS | 3.3V |
| XFC516025.000000I | Renesas晶振 | XTAL OSC XO 25.0000MHZ CML SMD | XF | 25 MHz | CML | 1.8V |
| XFL316270.000000I | Renesas晶振 | XTAL OSC XO 270.0000MHZ LVDS SMD | XF | 270 MHz | LVDS | 1.8V |
| XFL336025.000000I | Renesas晶振 | XTAL OSC XO 25.0000MHZ LVDS SMD | XF | 25 MHz | LVDS | 3.3V |
| XFL236644.531250I | Renesas晶振 | DFN 2.00X2.50X1.00 MM, 0.40MM PI | XF | 644.53125 MHz | LVDS | 3.3V |
| XFP216025.000000I | Renesas晶振 | DFN 2.00X2.50X1.00 MM, 0.40MM PI | XF | 25 MHz | LVPECL | 1.8V |
| XFL236830.078125I | Renesas晶振 | DFN 2.00X2.50X1.00 MM, 0.40MM PI | XF | 830.078125 MHz | LVDS | 3.3V |
| XFL226156.250000I | Renesas晶振 | DFN 2.00X2.50X1.00 MM, 0.40MM PI | XF | 156.25 MHz | LVDS | 2.5V |
| XFL236156.250000I | Renesas晶振 | DFN 2.00X2.50X1.00 MM, 0.40MM PI | XF | 156.25 MHz | LVDS | 3.3V |
| XFN236156.250000I | Renesas晶振 | DFN 2.00X2.50X1.00 MM, 0.40MM PI | XF | 156.25 MHz | HCSL | 3.3V |
| XFN216100.000000I | Renesas晶振 | DFN 2.00X2.50X1.00 MM, 0.40MM PI | XF | 100 MHz | HCSL | 1.8V |
| XFL236108.000000I | Renesas晶振 | DFN 2.00X2.50X1.00 MM, 0.40MM PI | XF | 108 MHz | LVDS | 3.3V |
| XFL216156.250000I | Renesas晶振 | DFN 2.00X2.50X1.00 MM, 0.40MM PI | XF | 156.25 MHz | LVDS | 1.8V |
| XFP236161.132812I | Renesas晶振 | DFN 2.00X2.50X1.00 MM, 0.40MM PI | XF | 161.132812 MHz | LVPECL | 3.3V |
| XFP226156.250000I | Renesas晶振 | DFN 2.00X2.50X1.00 MM, 0.40MM PI | XF | 156.25 MHz | LVPECL | 2.5V |
| XFP216625.000000I | Renesas晶振 | DFN 2.00X2.50X1.00 MM, 0.40MM PI | XF | 625 MHz | LVPECL | 1.8V |
| XFL236148.500000I | Renesas晶振 | DFN 2.00X2.50X1.00 MM, 0.40MM PI | XF | 148.5 MHz | LVDS | 3.3V |
| XFN216161.132812I | Renesas晶振 | DFN 2.00X2.50X1.00 MM, 0.40MM PI | XF | 161.132812 MHz | HCSL | 1.8V |
| XFP216156.250000I | Renesas晶振 | XTAL OSC XO 156.2500MHZ LVPECL | XF | 156.25 MHz | LVPECL | 1.8V |
| XFN236025.000000I | Renesas晶振 | XTAL OSC XO 25.0000MHZ HCSL SMD | XF | 25 MHz | HCSL | 3.3V |
| XFC226156.250000I | Renesas晶振 | XTAL OSC XO 156.2500MHZ CML SMD | XF | 156.25 MHz | CML | 2.5V |
| XFL226026.000000I | Renesas晶振 | XTAL OSC XO 26.0000MHZ LVDS SMD | XF | 26 MHz | LVDS | 2.5V |
| XFL216625.000000I | Renesas晶振 | XTAL OSC XO 625.0000MHZ LVDS SMD | XF | 625 MHz | LVDS | 1.8V |
| XFL216397.770000I | Renesas晶振 | XTAL OSC XO 397.7700MHZ LVDS SMD | XF | 397.77 MHz | LVDS | 1.8V |
| XFL216078.125000I | Renesas晶振 | XTAL OSC XO 78.1250MHZ LVDS SMD | XF | 78.125 MHz | LVDS | 1.8V |
| XFC216837.500000I | Renesas晶振 | XTAL OSC XO 837.5000MHZ CML SMD | XF | 837.5 MHz | CML | 1.8V |
| XFL536040.000000I | Renesas晶振 | XTAL OSC XO 40.0000MHZ LVDS SMD | XF | 40 MHz | LVDS | 3.3V |
| XFP336048.000000I | Renesas晶振 | XTAL OSC XO 48.0000MHZ LVPECL | XF | 48 MHz | LVPECL | 3.3V |
| XFL516156.250000I | Renesas晶振 | XTAL OSC XO 156.2500MHZ LVDS SMD | XF | 156.25 MHz | LVDS | 1.8V |
| XFL536200.000000I | Renesas晶振 | XTAL OSC XO 200.0000MHZ LVDS SMD | XF | 200 MHz | LVDS | 3.3V |
| XFL525100.000000I | Renesas晶振 | XTAL OSC XO 100.0000MHZ LVDS SMD | XF | 100 MHz | LVDS | 2.5V |
| XFL516245.000000I | Renesas晶振 | XTAL OSC XO 245.0000MHZ LVDS SMD | XF | 245 MHz | LVDS | 1.8V |
| XFP336156.253906I | Renesas晶振 | XTAL OS XO 156.253906MHZ LVPECL | XF | 156.253906 MHz | LVPECL | 3.3V |
| XFL336165.000000I | Renesas晶振 | XTAL OSC XO 165.0000MHZ LVDS SMD | XF | 165 MHz | LVDS | 3.3V |
| XFL536156.250000I | Renesas晶振 | XTAL OSC XO 156.2500MHZ LVDS SMD | XF | 156.25 MHz | LVDS | 3.3V |
| XFL526100.000000I | Renesas晶振 | XTAL OSC XO 100.0000MHZ LVDS SMD | XF | 100 MHz | LVDS | 2.5V |
| XFL336161.132813I | Renesas晶振 | XTAL OSC XO 161.132813MHZ LVDS | XF | 161.132813 MHz | LVDS | 3.3V |
| XFL326300.000000I | Renesas晶振 | XTAL OSC XO 300.0000MHZ LVDS SMD | XF | 300 MHz | LVDS | 2.5V |
| XFL326161.132812I | Renesas晶振 | XTAL OSC XO 161.132812MHZ LVDS | XF | 161.132812 MHz | LVDS | 2.5V |
| XFL536153.600000I | Renesas晶振 | XTAL OSC XO 153.6000MHZ LVDS SMD | XF | 153.6 MHz | LVDS | 3.3V |
| XFP536045.158400I | Renesas晶振 | XTAL OSC XO 45.1584MHZ LVPECL | XF | 45.1584 MHz | LVPECL | 3.3V |
| XFN336212.500000I | Renesas晶振 | XTAL OSC XO 212.5000MHZ HCSL SMD | XF | 212.5 MHz | HCSL | 3.3V |
| XFP316156.250000I | Renesas晶振 | XTAL OSC XO 156.2500MHZ LVPECL | XF | 156.25 MHz | LVPECL | 1.8V |
| XFL516161.132812I | Renesas晶振 | XTAL OSC XO 161.132812MHZ LVDS | XF | 161.132812 MHz | LVDS | 1.8V |
| XFL336425.000000I | Renesas晶振 | XTAL OSC XO 425.0000MHZ LVDS SMD | XF | 425 MHz | LVDS | 3.3V |
| XFL336780.000000I | Renesas晶振 | XTAL OSC XO 780.0000MHZ LVDS SMD | XF | 780 MHz | LVDS | 3.3V |
| XFL326148.351648I | Renesas晶振 | XTAL OSC XO 148.351648MHZ LVDS | XF | 148.351648 MHz | LVDS | 2.5V |
| XFL516135.000000I | Renesas晶振 | XTAL OSC XO 135.0000MHZ LVDS SMD | XF | 135 MHz | LVDS | 1.8V |
| XFP536750.000000I | Renesas晶振 | XTAL OSC XO 750.0000MHZ LVPECL | XF | 750 MHz | LVPECL | 3.3V |
| XFL336400.000000I | Renesas晶振 | XTAL OSC XO 400.0000MHZ LVDS SMD | XF | 400 MHz | LVDS | 3.3V |
| XFL316050.000000I | Renesas晶振 | XTAL OSC XO 50.0000MHZ LVDS SMD | XF | 50 MHz | LVDS | 1.8V |
| XFL326148.500000I | Renesas晶振 | XTAL OSC XO 148.5000MHZ LVDS SMD晶振 | XF | 148.5 MHz | LVDS | 2.5V |
| XFL336603.229000I | Renesas晶振 | XTAL OSC XO 603.2290MHZ LVDS SMD | XF | 603.229 MHz | LVDS | 3.3V |
| XFL336033.300000I | Renesas晶振 | XTAL OSC XO 33.3000MHZ LVDS SMD | XF | 33.3 MHz | LVDS | 3.3V |
| XFP326100.000000I | Renesas晶振 | XTAL OSC XO 100.0000MHZ LVPECL | XF | 100 MHz | LVPECL | 2.5V |
| XFL336380.000000I | Renesas晶振 | XTAL OSC XO 380.0000MHZ LVDS SMD | XF | 380 MHz | LVDS | 3.3V |
| XFL536148.500000I | Renesas晶振 | XTAL OSC XO 148.5000MHZ LVDS SMD | XF | 148.5 MHz | LVDS | 3.3V |
| XFL316080.000000I | Renesas晶振 | XTAL OSC XO 80.0000MHZ LVDS SMD | XF | 80 MHz | LVDS | 1.8V |
| XFL316100.000000I | Renesas晶振 | XTAL OSC XO 100.0000MHZ LVDS SMD | XF | 100 MHz | LVDS | 1.8V |

AXE3225P‐33‐50-150.000MHz,AXTAL有源差分晶振,150MHZ,3225mm,德國進口晶振,AXTAL振蕩器,OSC差分晶振,石英晶體振蕩器,六腳貼片晶振,150MHZ有源振蕩器,LVPECL輸出振蕩器,差分晶體振蕩器,SMD差分振蕩器,3225小體積晶振,尺寸3.2x2.5mm,頻率150MHZ,輸出邏輯LVPECL,低相噪晶振,低電壓晶振,便攜式設備晶振,通信模塊晶振,測試設備晶振,微波通信晶振.

Skyworks差分振蕩器-Si511有源晶振-511ACA156M250CAG-6GWIFI晶振,尺寸3.2x2.5mm,頻率156.25MHZ,電壓3.3V,輸出邏輯LVPECL,LVPECL差分晶振,差分晶體振蕩器,小體積差分晶振,OSC差分晶振,有源差分晶振,貼片差分晶振,六腳貼片差分晶振,6GWIFI差分晶振,娛樂設備差分晶振,航空航天差分晶振,網絡設備差分晶振,人工智能專用差分晶振,高質量差分晶振,高性能差分晶振,低抖動差分晶振,低損耗差分晶振,低電壓差分晶振,具有高質量低電壓的特點.
Si510/511 XO有源晶振采用Skyworks Solutions的先進DSPLL技術以提供從100kHz到250MHz的任何頻率。與傳統XO不同其中每個輸出頻率需要不同的晶體,Si510/511使用一塊固定水晶和Skyworks Solutions的專有DSPLL合成器,以生成該范圍內的任何頻率。此IC基于該方法允許晶體諧振器提供增強的可靠性,改進的機械堅固性和優異的穩定性。Skyworks差分振蕩器-Si511有源晶振-511ACA156M250CAG-6GWIFI晶振.

M675有源振蕩器\M675-02-CA\6G電信晶振\Renesas低相噪晶振,尺寸7.0×5.0mm,頻率500MHZ,電壓3.3V,輸出邏輯LVPECL,SAW振蕩器,差分有源晶振,LVPECL輸出晶振,LVPECL差分晶體振蕩器,貼片差分晶振,低功耗差分晶振,低抖動有源振蕩器,低損耗差分晶振,低電壓差分晶振,低相位差分晶振,低相噪有源晶振,高性能有源晶振,6G電信差分晶振,以太網差分晶振,智能家居差分晶振,航空航天有源晶振.
M675是一種VCSO(電壓控制SAW振蕩器)低抖動頻率源時鐘生成。集成SAW(聲表面波)延遲線實現高Q VCO(電壓控制振蕩器)功能導致低輸出相位噪聲和非常低的抖動。M675-01石英晶體振蕩器有多種型號可供選擇頻率從125到175MHz。M675-02提供500至700MHz。最低保證±100ppm的拉力范圍符合GbE要求。(它還完全滿足±50 ppm的最小拉力范圍通常需要的規范。)行業標準Kvco(VCO增益)提供完全的替換兼容性。M675非常適合鎖相環實現、時鐘和數據恢復電路,以及電信和光纖中的其他定時應用網絡系統(例如SONET/SDH).M675有源振蕩器\M675-02-CA\6G電信晶振\Renesas低相噪晶振.