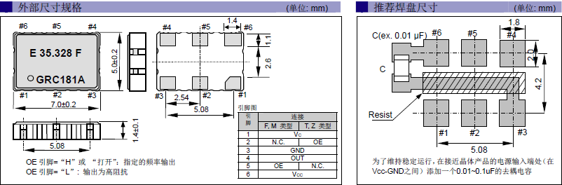
頻率:1~60MHz
尺寸:7.0*5.0mm
愛普生晶振公司已經建立了一個原始的垂直整合制造模型的最佳手段持續為客戶創造新的價值,并決定使用這個模型來驅動前面提到的四個關鍵領域的創新.這意味著從頭開始創建產品:創建我們自己的獨特的核心技術和設備,使用這些作為基地的規劃和設計提供獨特價值的產品,生產或制造的藝術和科學,我們積累了多年的專業知識,然后生產晶振,石英晶振,有源晶振,壓控振蕩器, 32.768K鐘表晶振,溫補晶振等出售給我們的客戶.
愛普生晶振,貼片晶振,VG-4231CA晶振,VG-4231CA 25.0000M-FGRC3晶振,小型SMD有源晶振,從最初超大體積到現在的7050mm,6035mm,5032mm,3225mm,2520mm體積,有著翻天覆地的改變,體積的變小也試產品帶來了更高的穩定性能,接縫密封石英晶體振蕩器,精度高,覆蓋頻率范圍寬的特點.
石英晶振多層、多金屬的濺射鍍膜技術:是目前研發及生產高精度、高穩定性石英晶體元器件——石英晶振必須攻克的關鍵技術之一。石英晶振該選用何鍍材、鍍幾種材料、幾種鍍材的鍍膜順序,鍍膜的工藝方法(如各鍍材的功率設計等)。使用此鍍膜方法使鍍膜后的晶振附著力增強,貼片晶振頻率更加集中,能控制在最小ppm之內。
|
型號 |
VG-4231CA(VCXO) |
|
|
輸出頻率范圍 |
1~60MHz |
|
|
標準頻率 |
19.2MHz/26MHz/38.4MHz/40MHz/52MHz |
|
|
電源電壓范圍 |
+1.68~5V |
|
|
電源電壓(Vcc) |
+1.8V/+2.6V/+2.8V/+3.0V/+3.3V |
|
|
消耗電流 |
+1.5mA max.(f≦26MHz)/+2.0mA max.(26<f≦52MHz)/+2.5mA max.(f≦60MHz) |
|
|
待機時電流 |
- |
|
|
輸出電壓 |
0.8Vp-p min.(f≦52MHz)(削峰正弦波/DC-coupled) |
|
|
輸出負載 |
10kΩ//10pF |
|
|
頻率穩定度 |
常溫偏差 |
±1.5×10-6 max.(After 2 reflows) |
|
溫度特性 |
±1.0×10-6,±2.5×10-6 max./-30?+85℃ |
|
|
電源電壓特性 |
±0.2×10-6 max.(VCC ±5%) |
|
|
負載變化特性 |
±0.2×10-6 max.(10kΩ//10pF±10%) |
|
|
長期變化 |
±1.0×10-6 max./year |
|
|
頻率控制 |
控制靈敏度 |
±3.0×10-6?±5.0×10-6/Vcont=+1.4V±1V @VCC≧+2.6V |
|
頻率控制極性 |
正極性 |
|
所有石英晶體振蕩器和實時時鐘模塊都以IC形式提供。
噪音
在電源或輸入端上施加執行級別(過高)的不相干(外部的)噪音,可能導致會引發功能失常或擊穿的閉門或雜散現象。
電源線路
電源的線路阻抗應盡可能低。
輸出負載
建議將石英晶振輸出負載安裝在盡可能靠近振蕩器的地方(在20 mm范圍之間)。
未用輸入終端的處理
未用針腳可能會引起噪聲響應,從而導致非正常工作。同時,當P通道和N通道都處于打開時,電源功率消耗也會增加;因此,請將未用輸入終端連接到VCC 或GND。
熱影響
重復的溫度巨大變化可能會降低受損害的石英晶振產品特性,并導致塑料封裝里的線路擊穿。必須避免這種情況。
安裝方向
振蕩器的不正確安裝會導致故障以及崩潰,因此安裝時,請檢查安裝方向是否正確。
通電
不建議從中間電位和/或極快速通電,否則會導致無法產生振蕩和/或非正常工作。
愛普生晶振環保方針:
愛普生株式會社EPSON晶振不僅遵守與環保相關的法規、條例及其他本公司贊同的要求事項,也根據需要自主性的制定基準,通過持續性的展開環保活動來預防污染。在設定環保目的與目標展開活動的同時,定期重審環境管理體系,努力提高環保活動的水平。愛普生株式會社EPSON晶振通過與地區的交流及社會貢獻活動,為地區的環保做貢獻。
將環保活動的信息向公司內外公開,積極努力的與地區社會及相關人員建立信賴關系,為社會的發展做出貢獻。通過此方針的公文化,在向公司員工及從事本事業領域業務的所有相關人員徹底傳達的同時,也向公司外部公開。愛普生晶振,貼片晶振,VG-4231CA晶振,VG-4231CA 25.0000M-FGRC3晶振振.


