頻率:50MHZ
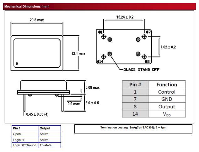
尺寸:20.8 x 13.1 x 5.08
6G恒溫晶振,YH1460-G18-5.0-LG-38MHz-E,Greenray晶振,Cardinal晶振,CPPC1LTA7BP50.0TS,物聯網應用6G晶振,歐洲進口晶振,CPP系列,編碼為CPPC1LTA7BP50.0TS,緊湊的體積尺寸20.8 x 13.1mm四腳插件晶振,功率優化石英晶體振蕩器,Cardinal晶振,電源電壓3.3V - 5.0V寬工作溫度范圍:-40℃至+85℃,頻率為50MHz,石英晶振,插件晶振,石英晶體振蕩器,OSC晶振,有源晶振,低損耗、低耗能、低電壓、低抖動,耐熱及耐環境特點,10.0MHz ~ 250.0MHz的輸出頻率范圍,石英晶振,應用于:可穿戴設備,物聯網(物聯網),工業物聯網,音頻和視頻,無人機和機器人等.
6G恒溫晶振,YH1460-G18-5.0-LG-38MHz-E,Greenray晶振,參數表
6G恒溫晶振,YH1460-G18-5.0-LG-38MHz-E,Greenray晶振,尺寸圖
6G恒溫晶振,YH1460-G18-5.0-LG-38MHz-E,Greenray晶振
特點:
高精度、高頻率穩定性、可靠性 有源晶振
尺寸25.4x25.4mm四腳插件晶振石英晶振
工作溫度溫度范圍-40-85℃
優良的耐環境特性,可達工業級溫度
滿足無鉛焊接的回流溫度曲線要求
◆符合RoHS標準,綠色環保


