頻率:1.8432~160MHz
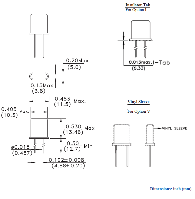
尺寸:11.5*5.0mm
Abracon llc成立于1992年8月5日,其愿景是成為全球頂級制造商,并擁有非并行應用工程和銷售支持.為了實現這一愿景,Abracon獲得了iso9001 - 2008質量認證,在北美和海外的生產設施和技術合作伙伴中選擇了股權投資,建立了與即將到來的技術公司的渠道伙伴關系,并在其加州的位置設立了一個國家的藝術工程實驗室.
ABRACON晶振,石英晶振,AB晶振,產品本身具有高穩定性,高可靠性的石英晶體諧振器,焊接方面支持表面貼裝,外觀采用金屬封裝,具有充分的密封性能,晶振本身能確保其高可靠性,采用編帶包裝,可對應產品應用到自動貼片機告訴安裝,滿足無鉛焊接的高溫回流溫度曲線要求.
晶振的真空封裝技術:是指石英晶振在真空封裝區域內進行封裝。1.防止外界氣體進入組件體內受到污染和增加應力的產生;2.使晶振組件在真空下電阻減小;3.氣密性高。此技術為研發及生產超小型、超薄型石英晶振必須攻克的關鍵技術之一.
|
Abracon晶振規格 |
單位 |
ABRACON晶振頻率范圍 |
石英晶振基本條件 |
|
標準頻率 |
f_nom |
1.8432~160MHz |
標準頻率 |
|
儲存溫度 |
T_stg |
-40°C ~ +125°C |
裸存 |
|
工作溫度 |
T_use |
-0°C ~ +70°C |
標準溫度 |
|
激勵功率 |
DL |
200μW Max. |
推薦:1μW ~ 100μW |
|
頻率公差 |
f_— l |
±50 × 10-6 (標準), |
+25°C 對于超出標準的規格說明,請聯系我們以便獲取相關的信息, http://www.yancaiwang.com.cn |
|
頻率溫度特征 |
f_tem |
±30 × 10-6/-20°C ~ +70°C |
超出標準的規格請聯系我們. |
|
負載電容 |
CL |
18pF |
不同負載電容要求,請聯系我們. |
|
串聯電阻(ESR) |
R1 |
如下表所示 |
-40°C — +85°C, DL = 100μW |
|
頻率老化 |
f_age |
±5 × 10-6 / year Max. |
+25°C,第一年 |
超聲波清洗
(1)使用AT-切割晶體和表面面濾波器波(SAW)/聲表面諧振器的產品,可以通過超聲波進行清洗。但是,在某些條件下, 晶振特性可能會受到影響,而且內部線路可能受到損壞。確保已事先檢查系統的適用性。
(2)使用音叉晶體和陀螺儀傳感器的產品無法確保能夠通過超聲波方法進行清洗,因為晶振可能受到破壞。
(3)請勿清洗開啟式晶振產品
(4)對于可清洗晶振產品,應避免使用可能對產品產生負面影響的清洗劑或溶劑等。
(5)焊料助焊劑的殘留會吸收水分并凝固。這會引起諸如位移等其它現象。這將會負面影響產品的可靠性和質量。請清理殘余的助焊劑并烘干PCB。請勿用鑷子或任何堅硬的工具,夾具直接接觸IC的表面。
Abracon晶振環保方針:
Abracon llc晶振堅持在發展中保護、在保護中發展,積極探索環境保護新道路,切實解決影響科學發展和損害群眾健康的突出環境問題,全面開創環境保護工作新局面.充分認識加強環境保護工作的重要性和緊迫性,把環境保護擺在更加重要的戰略位置,以對國家、對民族、對子孫后代高度負責的精神,切實做好環境保護工作,推動經濟社會全面協調可持續發展
Abracon llc晶振提供從材料的選定到廢棄過程中考慮環境質量的晶振,溫補晶振.加強制度建設,深化環境監管,向環境污染宣戰,促進經濟與環境協調發展.積極參與公司內部活動和地區環境改善活動,為社會做出貢獻,實現公司的社會責任.ABRACON晶振,石英晶振,AB晶振.


