FXO-HC530-20,艾迪悌XL振蕩器,6G藍牙模塊晶振,尺寸5.00x3.20mm,頻率20MHZ,IDT進口晶振,歐美進口晶振,有源貼片晶振,OSC振蕩器,六腳貼片晶振,XO時鐘振蕩器,5032mm有源晶振,無鉛環保晶振,高質量有源晶振,高性能有源晶振,低功耗有源晶振,低電壓有源晶振,低抖動有源晶振,儀器儀表有源晶振,智能家居有源晶振,石英晶體振蕩器,藍牙模塊專用有源晶振,光通信有源晶振,具有小尺寸高精度低電壓的特點。
三階Delta Sigma調制器將噪聲降低到與傳統的散裝石英和表面波紋波振蕩器相當的水平。XL設備具有短、低成本、低噪聲、頻率范圍廣、優異的環境性能,是傳統技術的優良選擇。XL有源晶振(XO選項)設備的穩定性高達±為20ppm,而XL(VCXO選項)設備的±為50ppmAPR。任何一種選項都可以為標準頻率和自定義頻率提供非常快速的交付。FXO-HC530-20,艾迪悌XL振蕩器,6G藍牙模塊晶振.
FXO-HC530-20,艾迪悌XL振蕩器,6G藍牙模塊晶振 參數表
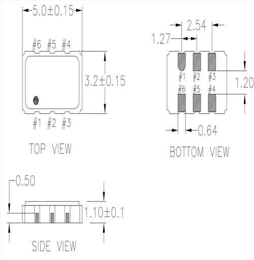
FXO-HC530-20,艾迪悌XL振蕩器,6G藍牙模塊晶振 尺寸圖
SMD晶振產品特征:
輸出類型:LVDS、LVPECL、LVCMOS
相位抖動(12kHz至20MHz):典型值為750fs至890fs
電源電壓:2.5V或3.3V
包裝選項: 3.2×2.5×1.0毫米(不適用于VCXO) 5.0×3.2×1.2毫米
7.0×5.0×1.3毫米
工作溫度:-20攝氏度至+70攝氏度
頻率穩定性選項:20、25、50或100ppm (僅限XO)
50ppm APR(僅VCXO)
工作溫度:-40攝氏度至+85攝氏度
頻率穩定性選項:25、50或100ppm (僅限XO)
50ppm APR(僅VCXO)
工作溫度:-40°C至+105°C(僅限XO)
頻率穩定性選項:50或100ppm 從0.5VDC到VDD(僅VCXO),
kV為85 ppm/伏特(典型值) Vc范圍的線性度優于10%
更多相關美國IDT晶振型號
| 原廠代碼 | 品牌 | 參數 | 型號 | 類型 | 頻率 | 輸出 | 電壓 |
| XLL736A00.000000I | IDT振蕩器 | OSCILLATOR XO 1.000GHZ LVDS SMD | XPRESSO™ FXO-LC73 | XO (Standard) | 1GHz | LVDS | 3.3V |
| XLL736240.000000I | IDT振蕩器 | OSC XO 240.000MHZ LVDS SMD | XPRESSO™ FXO-LC73 | XO (Standard) | 240MHz | LVDS | 3.3V |
| XLP536850.000000I | IDT振蕩器 | OSC XO 850.000MHZ LVPECL SMD | XPRESSO™ FXO-PC53 | XO (Standard) | 850MHz | LVPECL | 3.3V |
| XLP726250.000000I | IDT振蕩器 | OSC XO 250.000MHZ LVPECL SMD | XPRESSO™ FXO-PC72 | XO (Standard) | 250MHz | LVPECL | 2.5V |
| XLP736A00.000000I | IDT振蕩器 | OSC XO 1.000GHZ LVPECL SMD | XPRESSO™ FXO-PC73 | XO (Standard) | 1GHz | LVPECL | 3.3V |
| XLP736780.000000I | IDT振蕩器 | OSC XO 780.000MHZ LVPECL SMD | XPRESSO™ FXO-PC73 | XO (Standard) | 780MHz | LVPECL | 3.3V |
| XLP736400.000000I | IDT振蕩器 | OSC XO 400.000MHZ LVPECL SMD | XPRESSO™ FXO-PC73 | XO (Standard) | 400MHz | LVPECL | 3.3V |
| XLP736337.500000I | IDT振蕩器 | OSC XO 337.5MHZ LVPECL SMD | XPRESSO™ FXO-PC73 | XO (Standard) | 337.5MHz | LVPECL | 3.3V |
| XLP736300.000000I | IDT振蕩器 | OSC XO 300.000MHZ LVPECL SMD | XPRESSO™ FXO-PC73 | XO (Standard) | 300MHz | LVPECL | 3.3V |
| XLP736285.714000I | IDT振蕩器 | OSC XO 285.714MHZ LVPECL SMD | XPRESSO™ FXO-PC73 | XO (Standard) | 285.714MHz | LVPECL | 3.3V |
| XLP736250.000000I | IDT振蕩器 | OSC XO 250.000MHZ LVPECL SMD | XPRESSO™ FXO-PC73 | XO (Standard) | 250MHz | LVPECL | 3.3V |
| XLP736200.000000I | IDT振蕩器 | OSC XO 200.000MHZ LVPECL SMD | XPRESSO™ FXO-PC73 | XO (Standard) | 200MHz | LVPECL | 3.3V |
| XLL736400.000000I | IDT振蕩器 | OSC XO 400.000MHZ LVDS SMD | XPRESSO™ FXO-LC73 | XO (Standard) | 400MHz | LVDS | 3.3V |
| XLL726371.428571I | IDT振蕩器 | OSC XO 371.428571MHZ LVDS SMD | XLL | XO (Standard) | 371.428571MHz | LVDS | 2.5V |
| XLL726238.000000I | IDT振蕩器 | OSC XO 238.000MHZ LVDS SMD | XLL | XO (Standard) | 238MHz | LVDS | 2.5V |
| XLL736125.000000I | IDT振蕩器 | OSC XO 125.000MHZ LVDS SMD | XPRESSO™ FXO-LC73 | XO (Standard) | 125MHz | LVDS | 3.3V |
| XLP726074.250000I | IDT振蕩器 | OSC XO 74.25MHZ LVPECL SMD | XPRESSO™ FXO-PC72 | XO (Standard) | 74.25MHz | LVPECL | 2.5V |
| XLL536200.000000I | IDT振蕩器 | OSC XO 200.000MHZ LVDS SMD | XPRESSO™ FXO-LC53 | XO (Standard) | 200MHz | LVDS | 3.3V |
| FXO-LC735R-128.00 | IDT振蕩器 | OSC XO 128.000MHZ LVDS SMD | FXO-LC73 | XO (Standard) | 128MHz | LVDS | 3.3V |
| XLP736622.080000I | IDT振蕩器 | OSC XO 622.08MHZ LVPECL SMD | XPRESSO™ FXO-PC73 | XO (Standard) | 622.08MHz | LVPECL | 3.3V |
| XLL736080.000000I | IDT振蕩器 | OSCILLATOR XO 80.000MHZ LVDS SMD | XPRESSO™ FXO-LC73 | XO (Standard) | 80MHz | LVDS | 3.3V |
| FVXO-LC53BR-25 | IDT振蕩器 | OSC VCXO 25.000MHZ LVDS SMD | XPRESSO™ FVXO-LC53 | VCXO | 25MHz | LVDS | 3.3V |
| FXO-HC330-51.2 | IDT振蕩器 | OSCILLATOR XO 51.2MHZ HCMOS SMD | XPRESSO™ FXO-HC33 | XO (Standard) | 51.2MHz | HCMOS | 3.3V |
| FXO-HC330-50 | IDT振蕩器 | OSC XO 50.000MHZ HCMOS SMD | XPRESSO™ FXO-HC33 | XO (Standard) | 50MHz | HCMOS | 3.3V |
| FXO-HC330-25.175 | IDT振蕩器 | OSC XO 25.175MHZ HCMOS SMD | XPRESSO™ FXO-HC33 | XO (Standard) | 25.175MHz | HCMOS | 3.3V |
| XLH330024.000000X | IDT振蕩器 | OSC XO 24.000MHZ HCMOS SMD | XPRESSO™ FXO-HC33 | XO (Standard) | 24MHz | HCMOS | 3.3V |
| FXO-HC330-19.2 | IDT振蕩器 | OSCILLATOR XO 19.2MHZ HCMOS SMD | XPRESSO™ FXO-HC33 | XO (Standard) | 19.2MHz | HCMOS | 3.3V |
| FXO-HC330-6 | IDT振蕩器 | OSCILLATOR XO 6.000MHZ HCMOS SMD | XPRESSO™ FXO-HC33 | XO (Standard) | 6MHz | HCMOS | 3.3V |
| FXO-HC330-3.6864 | IDT振蕩器 | OSC XO 3.6864MHZ HCMOS SMD | XPRESSO™ FXO-HC33 | XO (Standard) | 3.6864MHz | HCMOS | 3.3V |
| FXO-HC530-54 | IDT振蕩器 | OSC XO 54.000MHZ HCMOS SMD | XPRESSO™ FXO-HC53 | XO (Standard) | 54MHz | HCMOS | 3.3V |
| FXO-HC530-50.625 | IDT振蕩器 | OSC XO 50.625MHZ HCMOS SMD | XPRESSO™ FXO-HC53 | XO (Standard) | 50.625MHz | HCMOS | 3.3V |
| FXO-HC530-49.152 | IDT振蕩器 | OSC XO 49.152MHZ HCMOS SMD | XPRESSO™ FXO-HC53 | XO (Standard) | 49.152MHz | HCMOS | 3.3V |
| FXO-HC530-45 | IDT振蕩器 | OSC XO 45.000MHZ HCMOS SMD | XPRESSO™ FXO-HC53 | XO (Standard) | 45MHz | HCMOS | 3.3V |
| FXO-HC530-40 | IDT振蕩器 | OSC XO 40.000MHZ HCMOS SMD | XPRESSO™ FXO-HC53 | XO (Standard) | 40MHz | HCMOS | 3.3V |
| FXO-HC530-37.125 | IDT振蕩器 | OSC XO 37.125MHZ HCMOS SMD | XPRESSO™ FXO-HC53 | XO (Standard) | 37.125MHz | HCMOS | 3.3V |
| FXO-HC530-29.4912 | IDT振蕩器 | OSC XO 29.4912MHZ HCMOS SMD | XPRESSO™ FXO-HC53 | XO (Standard) | 29.4912MHz | HCMOS | 3.3V |
| FXO-HC530-27 | IDT振蕩器 | OSC XO 27.000MHZ HCMOS SMD | XPRESSO™ FXO-HC53 | XO (Standard) | 27MHz | HCMOS | 3.3V |
| FXO-HC530-26.66 | IDT振蕩器 | OSCILLATOR XO 26.66MHZ HCMOS SMD | XPRESSO™ FXO-HC53 | XO (Standard) | 26.66MHz | HCMOS | 3.3V |
| FXO-HC530-24.576 | IDT振蕩器 | OSC XO 24.576MHZ HCMOS SMD | XPRESSO™ FXO-HC53 | XO (Standard) | 24.576MHz | HCMOS | 3.3V |
| FXO-HC530-24 | IDT振蕩器 | OSC XO 24.000MHZ HCMOS SMD | XPRESSO™ FXO-HC53 | XO (Standard) | 24MHz | HCMOS | 3.3V |
| FXO-HC530-20 | IDT振蕩器 | OSC XO 20.000MHZ HCMOS SMD | XPRESSO™ FXO-HC53 | XO (Standard) | 20MHz | HCMOS | 3.3V |
| FXO-HC530-19.6608 | IDT振蕩器 | OSC XO 19.6608MHZ HCMOS SMD | XPRESSO™ FXO-HC53 | XO (Standard) | 19.6608MHz | HCMOS | 3.3V |
| FXO-HC530-19.2 | IDT振蕩器 | OSCILLATOR XO 19.2MHZ HCMOS SMD | XPRESSO™ FXO-HC53 | XO (Standard) | 19.2MHz | HCMOS | 3.3V |
| FXO-HC530-19.132867 | IDT振蕩器 | OSC XO 19.132867MHZ HCMOS SMD | XPRESSO™ FXO-HC53 | XO (Standard) | 19.132867MHz | HCMOS | 3.3V |
| FXO-HC530-18.432 | IDT振蕩器 | OSC XO 18.432MHZ HCMOS SMD | XPRESSO™ FXO-HC53 | XO (Standard) | 18.432MHz | HCMOS | 3.3V |
| FXO-HC530-16.8 | IDT振蕩器 | OSCILLATOR XO 16.8MHZ HCMOS SMD | XPRESSO™ FXO-HC53 | XO (Standard) | 16.8MHz | HCMOS | 3.3V |
| FXO-HC530-16.54111 | IDT振蕩器 | OSC XO 16.54111MHZ HCMOS SMD | XPRESSO™ FXO-HC53 | XO (Standard) | 16.54111MHz | HCMOS | 3.3V |
| FXO-HC530-16.384 | IDT振蕩器 | OSC XO 16.384MHZ HCMOS SMD | XPRESSO™ FXO-HC53 | XO (Standard) | 16.384MHz | HCMOS | 3.3V |
| FXO-HC530-16 | IDT振蕩器 | OSC XO 16.000MHZ HCMOS SMD | XPRESSO™ FXO-HC53 | XO (Standard) | 16MHz | HCMOS | 3.3V |
| FXO-HC530-14.31818 | IDT振蕩器 | OSC XO 14.31818MHZ HCMOS SMD | XPRESSO™ FXO-HC53 | XO (Standard) | 14.31818MHz | HCMOS | 3.3V |
| FXO-HC530-13.5 | IDT振蕩器 | OSCILLATOR XO 13.5MHZ HCMOS SMD | XPRESSO™ FXO-HC53 | XO (Standard) | 13.5MHz | HCMOS | 3.3V |
| FXO-HC530-11.2896 | IDT有源晶振 | OSC XO 11.2896MHZ HCMOS SMD | XPRESSO™ FXO-HC53 | XO (Standard) | 11.2896MHz | HCMOS | 3.3V |
| FXO-HC530-11.0592 | IDT振蕩器 | OSC XO 11.0592MHZ HCMOS SMD | XPRESSO™ FXO-HC53 | XO (Standard) | 11.0592MHz | HCMOS | 3.3V |
| FXO-HC530-11.059 | IDT振蕩器 | OSC XO 11.059MHZ HCMOS SMD | XPRESSO™ FXO-HC53 | XO (Standard) | 11.059MHz | HCMOS | 3.3V |
| FXO-HC530-10.7 | IDT振蕩器 | OSCILLATOR XO 10.7MHZ HCMOS SMD | XPRESSO™ FXO-HC53 | XO (Standard) | 10.7MHz | HCMOS | 3.3V |
| FXO-HC530-9.65 | IDT振蕩器 | OSCILLATOR XO 9.65MHZ HCMOS SMD | XPRESSO™ FXO-HC53 | XO (Standard) | 9.65MHz | HCMOS | 3.3V |
| FXO-HC530-9.6 | IDT振蕩器 | OSCILLATOR XO 9.6MHZ HCMOS SMD | XPRESSO™ FXO-HC53 | XO (Standard) | 9.6MHz | HCMOS | 3.3V |
| FXO-HC530-8.192 | IDT振蕩器 | OSCILLATOR XO 8.192MHZ HCMOS SMD | XPRESSO™ FXO-HC53 | XO (Standard) | 8.192MHz | HCMOS | 3.3V |
| FXO-HC530-8 | IDT振蕩器 | OSCILLATOR XO 8.000MHZ HCMOS SMD | XPRESSO™ FXO-HC53 | XO (Standard) | 8MHz | HCMOS | 3.3V |
| FXO-HC530-7.3728 | IDT振蕩器 | OSC XO 7.3728MHZ HCMOS SMD | XPRESSO™ FXO-HC53 | XO (Standard) | 7.3728MHz | HCMOS | 3.3V |
| FXO-HC530-6 | IDT振蕩器 | OSCILLATOR XO 6.000MHZ HCMOS SMD | XPRESSO™ FXO-HC53 | XO (Standard) | 6MHz | HCMOS | 3.3V |
| FXO-HC530-4.825 | IDT振蕩器 | OSCILLATOR XO 4.825MHZ HCMOS SMD | XPRESSO™ FXO-HC53 | XO (Standard) | 4.825MHz | HCMOS | 3.3V |
| FXO-HC530-4 | IDT振蕩器 | OSCILLATOR XO 4.000MHZ HCMOS SMD | XPRESSO™ FXO-HC53 | XO (Standard) | 4MHz | HCMOS | 3.3V |
| FXO-HC530-3.6864 | IDT振蕩器 | OSC XO 3.6864MHZ HCMOS SMD | XPRESSO™ FXO-HC53 | XO (Standard) | 3.6864MHz | HCMOS | 3.3V |
| FXO-HC530-2.048 | IDT振蕩器 | OSCILLATOR XO 2.048MHZ HCMOS SMD | XPRESSO™ FXO-HC53 | XO (Standard) | 2.048MHz | HCMOS | 3.3V |
| FXO-HC530-2 | IDT振蕩器 | OSCILLATOR XO 2.000MHZ HCMOS SMD | XPRESSO™ FXO-HC53 | XO (Standard) | 2MHz | HCMOS | 3.3V |
| FXO-HC530-1.8432 | IDT振蕩器 | OSC XO 1.8432MHZ HCMOS SMD | XPRESSO™ FXO-HC53 | XO (Standard) | 1.8432MHz | HCMOS | 3.3V |
| FXO-HC530-1.828 | IDT振蕩器 | OSCILLATOR XO 1.828MHZ HCMOS SMD | XPRESSO™ FXO-HC53 | XO (Standard) | 1.828MHz | HCMOS | 3.3V |
| FXO-HC530-1.544 | IDT振蕩器 | OSCILLATOR XO 1.544MHZ HCMOS SMD | XPRESSO™ FXO-HC53 | XO (Standard) | 1.544MHz | HCMOS | 3.3V |
| FXO-HC530-1.152 | IDT振蕩器 | OSCILLATOR XO 1.152MHZ HCMOS SMD | XPRESSO™ FXO-HC53 | XO (Standard) | 1.152MHz | HCMOS | 3.3V |
| FXO-HC530-1 | IDT振蕩器 | OSCILLATOR XO 1.000MHZ HCMOS SMD | XPRESSO™ FXO-HC53 | XO (Standard) | 1MHz | HCMOS | 3.3V |
| FXO-HC730-57 | IDT振蕩器 | OSC XO 57.000MHZ HCMOS SMD | XPRESSO™ FXO-HC73 | XO (Standard) | 57MHz | HCMOS | 3.3V |
| FXO-HC730-56.25 | IDT振蕩器 | OSCILLATOR XO 56.25MHZ HCMOS SMD | XPRESSO™ FXO-HC73 | XO (Standard) | 56.25MHz | HCMOS | 3.3V |
| FXO-HC730-56 | IDT振蕩器 | OSC XO 56.000MHZ HCMOS SMD | XPRESSO™ FXO-HC73 | XO (Standard) | 56MHz | HCMOS | 3.3V |
| FXO-HC730-55.296 | IDT振蕩器 | OSC XO 55.296MHZ HCMOS SMD | XPRESSO™ FXO-HC73 | XO (Standard) | 55.296MHz | HCMOS | 3.3V |
| FXO-HC730-54 | IDT振蕩器 | OSC XO 54.000MHZ HCMOS SMD | XPRESSO™ FXO-HC73 | XO (Standard) | 54MHz | HCMOS | 3.3V |



CTS晶振,石英晶體振蕩器,315晶振,315LB3I1228T晶振
406系列有源晶振,米利倫TCXO晶振,3225mm小體積振蕩器
DSC1001AL5-048.0000,Microchip有源晶振,7050mm,48MHZ
C3系列平板電腦晶振,3225mm,PDI小封裝晶振,4腳無源晶振
AXE3225P‐33‐50-150.000MHz,AXTAL有源差分晶振,150MHZ,3225mm
SMD100.3C(E/D)-50.000MHz,7050mm,GED低電壓晶振,50MHZ振蕩器
7050mm,100MHZ,SMD100.3C(E/D)-100.000MHz,GED有源振蕩器,SMD100.3系列
VG7050CDN,X1G004861000600,7050mm,125MHz,EPSON壓控晶振


