CTS晶振公司為信息技術和電信市場提供貼片晶振,溫補晶振,石英晶體振蕩器等多種電子元件。這些石英晶振可以在宏小區基站發現,小蜂窩基站、衛星通信系統、回程通信的應用,以及無線和有線基礎設施。CTS晶振公司在信息技術和電信市場的創新支持市場部門的發展趨勢,如低功耗,更小的形式因素,增加帶寬需求和物聯網(物聯網)。
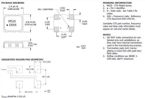
CTS晶振,貼片晶振,520晶振,520L15IA40M0000晶振,貼片晶振本身體積小,超薄型石英晶體諧振器,特別適用于有目前高速發展的高端電子數碼產品,因為晶振本身小型化需求的市場領域,小型?薄型是對應陶瓷諧振器(偏差大)和普通的石英晶體諧振器(偏差小)的中間領域的一種性價比較出色的產品.
貼片晶振的研發及生產超小型石英晶振完成晶片的設計特別是外形尺寸的設計是首要需解決的技術問題,公司在此方面通過理論與實踐相結合,模擬出一整套此石英晶振晶片設計的計算機程序,該程序晶振的晶片外形尺寸已全面應用并取得很好的效果。
|
項目 |
符號 |
520晶振規格說明 |
條件 |
|
輸出頻率范圍 |
f0 |
1.2 MHz to 75 MHz |
請聯系我們以便獲取其它可用頻率的相關信息 |
|
電源電壓 |
VCC |
1.8 V to 2.5 V |
請聯系我們以了解更多相關信息 |
|
儲存溫度 |
T_stg |
-40℃ to +85℃ |
裸存 |
|
工作溫度 |
T_use |
G: -40℃ to +85℃ |
請聯系我們查看更多資料http://www.yancaiwang.com.cn |
|
H: -40℃ to +105℃ |
|||
|
J: -40℃ to +125℃ |
|||
|
頻率穩定度 |
f_tol |
J: ±50 × 10-6 |
|
|
L: ±100 × 10-6 |
|||
|
T: ±150 × 10-6 |
|||
|
功耗 |
ICC |
3.5 mA Max. |
無負載條件、最大工作頻率 |
|
待機電流 |
I_std |
3.3μA Max. |
ST=GND |
|
占空比 |
SYM |
45 % to 55 % |
50 % VCC 極, L_CMOS≦15 pF |
|
輸出電壓 |
VOH |
VCC-0.4V Min. |
|
|
VOL |
0.4 V Max. |
|
|
|
輸出負載條件 |
L_CMOS |
15 pF Max. |
|
|
輸入電壓 |
VIH |
80% VCCMax. |
ST終端 |
|
VIL |
20 % VCCMax. |
||
|
上升/下降時間 |
tr / tf |
4 ns Max. |
20 % VCCto 80 % VCC極, L_CMOS=15 pF |
|
振蕩啟動時間 |
t_str |
3 ms Max. |
t=0 at 90 % |
|
頻率老化 |
f_aging |
±3 × 10-6/ year Max. |
+25 ℃, 初年度,第一年 |


晶振產品的設計和生產直到出廠,都會經過嚴格的測試檢測來滿足它的規格要求。通過嚴格的出廠前可靠性測試以提供高質量高的可靠性的石英晶振.但是為了石英晶振的品質和可靠性,必須在適當的條件下存儲,安 裝,運輸。請注意以下的注意事項并在最佳的條件下使用產品,我們將對于客戶按自己的判斷而使用石英晶振所導致的不良不負任何責任。
當晶振產品上存在任何給定沖擊或受到周期性機械振動時,比如:壓電揚聲器,壓電蜂鳴器,以及喇叭等,輸出頻率和幅度會受到影響。這種現象對通信器材通信質量有影響。盡管晶振產品設計可最小化這種機械振動的影響,我們推薦事先檢查并按照下列安裝指南進行操作。
CTS晶振環保方針:
CTS晶振集團建立一種可測量的發展和改進的目標指標,定期進行內審和管理評審。在現有的或新生的各種活動中不斷監測和改進環境績效。通過對生產活動的持續改進和促進對低效或無效的環境法律法規進行合理化轉變,努力提高環境管理中資本的效力。 將生產活動中的環境因素和環境影響的分析納入我們的決策中來,確保活動中每一分子的運作和發展都體現對污染預防方針的貫徹。
我們將定期對雇員進行教育和培訓,確保他們能夠安全高效的工作,樹立他們的環保責任感。 與雇員、客戶、公眾、政府及關注公司環境績效和持續改進計劃的相關方進行充分開放的信息交流。CTS晶振,貼片晶振,520晶振,520L15IA40M0000晶振.


TXC晶振,貼片晶振,7R晶振
TXC晶振,貼片晶振,8Q晶振,8Q37420001晶振
M12531JM12 12.000000,12MHz,3225mm,MtronPTI藍牙應用晶振
FC5AQBBME18.0-T1,FOX晶振廠家,5032mm,兩腳貼片晶振
EC2600TS-66.000M TR,Ecliptek晶振廠家,7050mm,LVCMOS振蕩器
無源晶體,石英晶振,ENN002-17007晶振,NAKA納卡晶體
C32石英諧振器,CORE科爾晶振,無源貼片晶體,進口無源晶振
HC49-4H/351DF-16.384MHz,高利奇晶體,進口插件晶振,49S石英晶振,HC49-4H晶體


