臺技SMD晶體7M-25.000MAKV-T與逆變器的秘密揭曉!6G晶振物料,TXC是一家專注于研發設計高品質元器件的制造商,十分擅長開發石英晶振產品,通過自身的努力,以及對于行業的深度觀察與探究,發現新的機會,同時針對新的機會,開發設計出來性能優越,具有成本效益的優質產品,耐心打磨陶瓷諧振器產品編碼7M-25.000MAKV-T,型號7M,尺寸為3.20mm x 2.50mm,頻率為25MHZ,頻率穩定性為60ppm ,工作溫度為-40°C~+125°C,產品具備高性能高精度的特點。
產品特性:頻率范圍:10MHz~114MHz,陶瓷SMD封裝,接縫密封,外形尺寸(mm)高:3.2×寬:2.5×高:0.7,符合RoHS標準,不含鉛,產品主要應用范圍:藍牙,無線局域網,手機,傳呼機,DSC,顯示,電視,電腦外圍設備,消費產品等領域。
TXC公司多年來,始終以提升客戶價值為目標,是以無論在價格、質量、交期、服務等方面,均盡力盡心于超越客戶的期待,并以能成為客戶最佳的策略合作伙伴自我敦促,同時也開始深入了解石英晶振產品的細枝末節.
| 原廠編碼 | 廠家 | 型號 | 系列 | 頻率 | 頻率穩定度 | 工作溫度 |
| 7A-24.576MBBK-T | TXC晶振 | 7A | MHz Crystal | 24.576MHz | ±50ppm | -20°C ~ 70°C |
| 7M-50.000MAAE-T | TXC晶振 | 7M | MHz Crystal | 50MHz | ±30ppm | -20°C ~ 70°C |
| 7M-16.666670MAAE-T | TXC晶振 | 7M | MHz Crystal | 16.66667MHz | ±30ppm | -20°C ~ 70°C |
| 7M-30.000MAAE-T | TXC晶振 | 7M | MHz Crystal | 30MHz | ±30ppm | -20°C ~ 70°C |
| 8Z-30.000MAAJ-T | TXC晶振 | 8Z | MHz Crystal | 30MHz | ±30ppm | -20°C ~ 70°C |
| 8Z-38.400MAAE-T | TXC晶振 | 8Z | MHz Crystal | 38.4MHz | ±30ppm | -20°C ~ 70°C |
| 7M-40.000MAKV-T | TXC晶振 | 7M | MHz Crystal | 40MHz | ±60ppm | -40°C ~ 125°C |
| 7M-27.000MAKV-T | TXC晶振 | 7M | MHz Crystal | 27MHz | ±60ppm | -40°C ~ 125°C |
| 8Z-16.66667MAAE-T | TXC晶振 | 8Z | MHz Crystal | 16.66667MHz | ±30ppm | -20°C ~ 70°C |
| 7M-24.000MAKV-T | TXC晶振 | 7M | MHz Crystal | 24MHz | ±60ppm | -40°C ~ 125°C |
| 7M-25.000MAKV-T | TXC晶振 | 7M | MHz Crystal | 25MHz | ±60ppm | -40°C ~ 125°C |
| 7V-24.000MAAV-T | TXC晶振 | 7V | MHz Crystal | 24MHz | ±30ppm | -20°C ~ 70°C |
| 8Z-27.000MAAE-T | TXC晶振 | 8Z | MHz Crystal | 27MHz | ±30ppm | -20°C ~ 70°C |
| 8Z-19.200MAAV-T | TXC晶振 | 8Z | MHz Crystal | 19.2MHz | ±30ppm | -20°C ~ 70°C |
| 8Z-30.000MAAV-T | TXC晶振 | 8Z | MHz Crystal | 30MHz | ±30ppm | -20°C ~ 70°C |
| 7V-16.000MAAV-T | TXC晶振 | 7V | MHz Crystal | 16MHz | ±30ppm | -20°C ~ 70°C |
| 8Z-20.000MAAE-T | TXC晶振 | 8Z | MHz Crystal | 20MHz | ±30ppm | -20°C ~ 70°C |
| 7V-14.7456MAAV-T | TXC晶振 | 7V | MHz Crystal | 14.7456MHz | ±30ppm | -20°C ~ 70°C |
| 7V-24.000MAKV-T | TXC晶振 | 7V | MHz Crystal | 24MHz | ±60ppm | -40°C ~ 125°C |
| 7V-25.000MAKV-T | TXC晶振 | 7V | MHz Crystal | 25MHz | ±60ppm | -40°C ~ 125°C |
| 8Z-38.000MAAV-T | TXC晶振 | 8Z | MHz Crystal | 38MHz | ±30ppm | -20°C ~ 70°C |
| 8Z-48.000MAAE-T | TXC晶振 | 8Z | MHz Crystal | 48MHz | ±30ppm | -20°C ~ 70°C |
| 8Z-26.000MAAV-T | TXC晶振 | 8Z | MHz Crystal | 26MHz | ±30ppm | -20°C ~ 70°C |
| 7V-12.500MAAV-T | TXC晶振 | 7V | MHz Crystal | 12.5MHz | ±30ppm | -20°C ~ 70°C |
| 7V-25.000MAAV-T | TXC晶振 | 7V | MHz Crystal | 25MHz | ±30ppm | -20°C ~ 70°C |
| AH-32.768KBZF-T | TXC晶振 | AH | kHz Crystal (Tuning Fork) | 32.768kHz | - | -40°C ~ 85°C |
| 8Z-16.000MAAE-T | TXC晶振 | 8Z | MHz Crystal | 16MHz | ±30ppm | -20°C ~ 70°C |
| 8Z-20.000MAAV-T | TXC晶振 | 8Z | MHz Crystal | 20MHz | ±30ppm | -20°C ~ 70°C |
| 9HT11-32.768KBZY-T | TXC晶振 | 9HT11 | kHz Crystal (Tuning Fork) | 32.768kHz | - | -40°C ~ 85°C |
| 9HT11-32.768KBZF-T | TXC晶振 | 9HT11 | kHz Crystal (Tuning Fork) | 32.768kHz | - | -40°C ~ 85°C |
| 9HT11-32.768KBZC-T | TXC晶振 | 9HT11 | kHz Crystal (Tuning Fork) | 32.768kHz | - | -40°C ~ 85°C |
| 7B-14.31818MAAE-T | TXC晶振 | 7B | MHz Crystal | 14.31818MHz | ±30ppm | -20°C ~ 70°C |
| 9HT11-32.768KBZB-T | TXC晶振 | 9HT11 | kHz Crystal (Tuning Fork) | 32.768kHz | - | -40°C ~ 85°C |
| 7B-27.000MBBK-T | TXC晶振 | 7B | MHz Crystal | 27MHz | ±50ppm | -20°C ~ 70°C |
| 7B-12.000MAAE-T | TXC晶振 | 7B | MHz Crystal | 12MHz | ±30ppm | -20°C ~ 70°C |
| 7B-40.000MAAE-T | TXC晶振 | 7B | MHz Crystal | 40MHz | ±30ppm | -20°C ~ 70°C |
| AA-10.000MAGY-T | TXC晶振 | AA | MHz Crystal | 10MHz | ±50ppm | -40°C ~ 85°C |
| AA-8.192MAGE-T | TXC晶振 | AA | MHz Crystal | 8.192MHz | ±50ppm | -40°C ~ 85°C |
| AA-25.000MALE-T | TXC晶振 | AA | MHz Crystal | 25MHz | ±150ppm | -40°C ~ 125°C |
| 7M-20.000MBBK-T | TXC晶振 | 7M | MHz Crystal | 20MHz | ±50ppm | -20°C ~ 70°C |
| 7V-20.000MAHE-T | TXC晶振 | 7V | MHz Crystal | 20MHz | ±30ppm | -40°C ~ 85°C |
| 8Y-27.120MAAE-T | TXC晶振 | 8Y | MHz Crystal | 27.12MHz | ±30ppm | -20°C ~ 70°C |
| AV-28.63636MAGV-T | TXC晶振 | AV | MHz Crystal | 28.63636MHz | ±50ppm | -40°C ~ 85°C |
| 8Z-26.000MAHQ-T | TXC晶振 | 8Z | MHz Crystal | 26MHz | ±30ppm | -40°C ~ 85°C |
| 9HT11-32.768KAZB-T | TXC晶振 | 9HT11 | kHz Crystal (Tuning Fork) | 32.768kHz | - | -40°C ~ 85°C |
| 8Z-16.000MAHQ-T | TXC晶振 | 8Z | MHz Crystal | 16MHz | ±30ppm | -40°C ~ 85°C |
| 8Z-20.000MAHQ-T | TXC晶振 | 8Z | MHz Crystal | 20MHz | ±30ppm | -40°C ~ 85°C |
| 8Z-27.000MAHQ-T | TXC晶振 | 8Z | MHz Crystal | 27MHz | ±30ppm | -40°C ~ 85°C |
| 9HT11-32.768KAZC-T | 臺灣晶技 | 9HT11 | kHz Crystal (Tuning Fork) | 32.768kHz | - | -40°C ~ 85°C |
| 8Z-24.000MAHQ-T | TXC晶振 | 8Z | MHz Crystal | 24MHz | ±30ppm | -40°C ~ 85°C |
| 9HT11-32.768KAZY-T | TXC晶振 | 9HT11 | kHz Crystal (Tuning Fork) | 32.768kHz | - | -40°C ~ 85°C |
| 8Z-25.000MAHQ-T | TXC晶振 | 8Z | MHz Crystal | 25MHz | ±30ppm | -40°C ~ 85°C |
| 7V-24.000MAHE-T | TXC晶振 | 7V | MHz Crystal | 24MHz | ±30ppm | -40°C ~ 85°C |
| 7M-37.400MEEJ-T | TXC晶振 | 7M | MHz Crystal | 37.4MHz | ±10ppm | -20°C ~ 70°C |
| 7M-32.000MBBK-T | TXC晶振 | 7M | MHz Crystal | 32MHz | ±50ppm | -20°C ~ 70°C |
| AH-32.768KDZY-T | TXC晶振 | AH | kHz Crystal (Tuning Fork) | 32.768kHz | - | -40°C ~ 85°C |
| 8Y-25.000MAAV-T | TXC晶振 | 8Y | MHz Crystal | 25MHz | ±30ppm | -20°C ~ 70°C |
| 8Z-27.120MAHQ-T | TXC晶振 | 8Z | MHz Crystal | 27.12MHz | ±30ppm | -40°C ~ 85°C |
| 8Z-12.000MAHQ-T | TXC晶振 | 8Z | MHz Crystal | 12MHz | ±30ppm | -40°C ~ 85°C |
| 7M-19.200MAAE-T | TXC晶振 | 7M | MHz Crystal | 19.2MHz | ±30ppm | -20°C ~ 70°C |
| 7V-14.7456MAAE-T | TXC晶振 | 7V | MHz Crystal | 14.7456MHz | ±30ppm | -20°C ~ 70°C |
| 7B-18.432MAAJ-T | TXC晶振 | 7B | MHz Crystal | 18.432MHz | ±30ppm | -20°C ~ 70°C |
| AH-32.768KDZC-T | TXC晶振 | AH | kHz Crystal (Tuning Fork) | 32.768kHz | - | -40°C ~ 85°C |
| 8Y-38.400MAAV-T | TXC晶振 | 8Y | MHz Crystal | 38.4MHz | ±30ppm | -20°C ~ 70°C |
| AX-9.84375MAGV-T | TXC晶振 | AX | MHz Crystal | 9.84375MHz | ±50ppm | -40°C ~ 85°C |
| 8Y-20.000MAAE-T | TXC晶振 | 8Y | MHz Crystal | 20MHz | ±30ppm | -20°C ~ 70°C |
| 7B-28.63636MAAJ-T | TXC晶振 | 7B | MHz Crystal | 28.63636MHz | ±30ppm | -20°C ~ 70°C |
| 7V-27.000MAAE-T | TXC晶振 | 7V | MHz Crystal | 27MHz | ±30ppm | -20°C ~ 70°C |
| 7V-20.000MAAE-T | TXC晶振 | 7V | MHz Crystal | 20MHz | ±30ppm | -20°C ~ 70°C |
| AV-24.000MAGV-T | TXC晶振 | AV | MHz Crystal | 24MHz | ±50ppm | -40°C ~ 85°C |
| 7V-16.000MAHE-T | TXC晶振 | 7V | MHz Crystal | 16MHz | ±30ppm | -40°C ~ 85°C |
| AX-16.9344MAGV-T | TXC晶振 | AX | MHz Crystal | 16.9344MHz | ±50ppm | -40°C ~ 85°C |
順便說一句,并聯共振頻率現在稍高,因為在模擬中假設次共振C1為主共振的10%,因此根據距離串行/并聯共振 等式2有助于(但這僅在主要和干擾序列共振頻率接近時 一致!)。臺技SMD晶體7M-25.000MAKV-T與逆變器的秘密揭曉!6G晶振物料.
與所需的振動頻率相反,這些干擾的副共振通常具有非常高的振動頻率。 高度依賴溫度。人們可以測量“溫度”,從而測量干擾共振的頻率。 通過移動滑塊來改變模擬。
如果使用具有指定負載能力的貼片石英晶振,則副共振的影響可能仍然存在。 顯著增加(圖2)。根據干擾參數的值,共振電阻可能相當大。 放大,正確的共振可以移動,或者它甚至可以是兩個大致相同的強度 形成明顯的共振點。
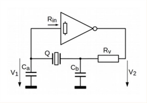
大多數微處理器使用皮爾斯電路中的石英振蕩器作為時鐘設置。活躍的接管一個逆變器。
皮爾斯振蕩器與逆變器反饋網絡為飾 Grundtonquarz (用于工作電壓或穩定電壓的元件) 工作項目未顯示)
逆變器的輸出電阻與電阻 Rv 和 PI膠體Cb/Quarz/Ca 一起構成 帶有頻率依賴性相位移的窄帶通道。根據振動條件,整個階段必須 是360°. 逆變器提供 180°, 通常更多一點, 由于額外的, 半導體相關的 因此,通過帶通的外部相位移可能略小于180° 是。
設置外部分量的值,使振幅分量和相位分量滿足振動條件而不超過最大石英載荷;一般來說,一個好的找到妥協。選擇相同大小的Ca和Cb是沒有意義的,大約是兩倍。 另一方面,有意義的是通過壓電石英晶體的“非對稱”電路進行阻抗轉變Ca的第一個引用值比指定的負載能力高 10-20%,第一個值為 Cb 至少是Ca 值的兩倍。
Rv的選擇應足夠大,以便不超過允許的石英負荷。應該與那些Rv和Cb控制器將傳輸功能調整到精確的頻率、正確的石英載荷和最佳的形狀。 優化諧振曲線. 這不一定需要設置的最高電壓增益 反饋網絡,如果逆變器提供足夠的增益!在“結構”菜單中,Y-QUARTZ應用程序提供了模擬和優化此類PierceOszillator的反饋網絡的能力。
皮爾斯振蕩器,對稱(22pF / 22pF / 300Ω)和非對稱選擇 Ca和Cb(18/110pF)
在圖5中,過低的自適應電阻RV的不利影響再次得到證明。其中 超過了允許的石英無源晶體負荷。其次,必要的階段轉換 從180°僅以這種方式和在具有低相分離度的點。此外,還有最大幅度 相位180°不處于相同的頻率。
Pierce 振蕩器 小RV
逆變器的實際輸入電阻可以使用Rin滑塊進行模擬。 在最終電路中,Ca和Rb應圍繞輸入電容和輸出電阻的值。 將減少逆轉。
Pierce電路需要具有負載能力的振動方塊,如果沒有額外的電感串聯轉化為石英。
因此, 有一些自由度, 用于在最佳電阻 Rv 上調整電路尺寸可以導向。 在所示的示例中,一個容量Cs串聯切換到石英。它可以作為投票元素;它但是,Ca和Cb的容量也會更大,這會影響晶體管參數的溫度依賴性和放松。





TXC晶振,貼片晶振,7M晶振
TXC晶振,貼片晶振,7S晶振
TXC晶振,貼片晶振,7A晶振
微晶晶振,32.768K晶振,CM9V-T1A壓電石英晶體


