Pletronics晶振公司創建于1979年,主要研發生產晶振,石英晶振,有源晶體,石英晶體振蕩器等元件.至今已有超過30年之久的工程和制造經驗.所生產的產品使用范圍廣包括亞洲、歐洲和北美的制造業.Pletronics晶振公司擁有國際工程,物流和銷售支持.產品設計創新,價格競爭有優勢,訂貨交期時間短在業界具有較好的聲譽.
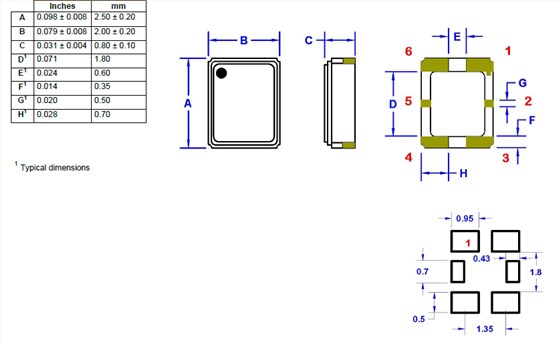
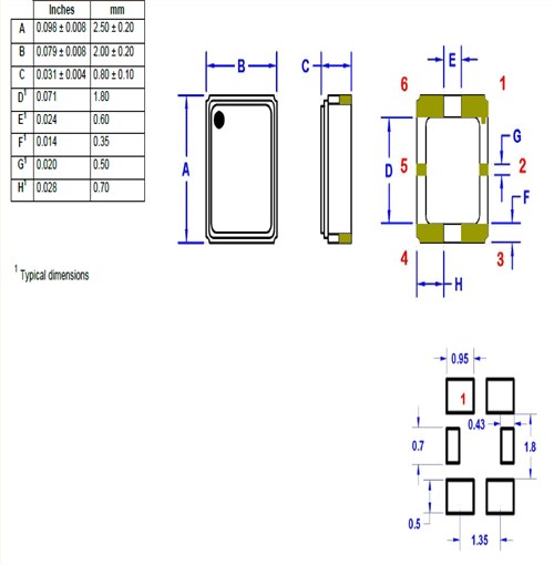
Pletronics晶振,貼片晶振,NCF4晶振,小體積貼片2520mm晶振,外觀小型,表面貼片型晶體諧振器,因本身體積小等優勢,適用于移動通信終端的基準時鐘等移動通信領域.小型,薄型,輕型 (2.5 × 2.0 × 0.5 mm typ.) 具備優良的耐環境特性及高耐熱性強.滿足無鉛焊接的回流溫度曲線要求.
有源晶振高頻振蕩器使用IC與晶片設計匹配技術:有源晶振是高頻振蕩器研發及生產過程必須要解決的技術難題。在設計過程中除了要考慮石英晶體諧振器具有的電性外,還有石英晶體振蕩器的電極設計等其它的特殊性,必須考慮石英晶體振蕩器的供應電壓、起動電壓和產品上升時間、下降時間等相關參數。
|
型號 |
NCF4 (TCXO) |
|
|
輸出頻率范圍 |
10?40MHz |
|
|
標準頻率 |
16.3676MHz/16.367667MHz/16.368MHz/16.369MHz/16.8MHz/26MHz/33.6MHz |
|
|
電源電壓范圍 |
+1.7?+3.5V |
|
|
電源電壓(Vcc) |
+1.8V/+2.6V/+2.8V/+3.0V/+3.3V |
|
|
消耗電流 |
+1.5mA max.(f≦26MHz)/+2.0mA max.(26<f≦52MHz) |
|
|
待機時電流 |
- |
|
|
輸出電壓 |
0.8Vp-p min.(f≦52MHz)(削峰正弦波/DC-coupled) |
|
|
輸出負載 |
10kΩ//10pF |
|
|
頻率穩定度 |
常溫偏差 |
±1.5×10-6max.(After 2 reflows) |
|
溫度特性 |
±0.5×10-6,±2.5×10-6max./-30?+85℃ |
|
|
電源電壓特性 |
±0.2×10-6max.(VCC±5%) |
|
|
負載變化特性 |
±0.2×10-6max.(10kΩ//10pF±10%) |
|
|
長期變化 |
±1.0×10-6max./year |
|
|
頻率控制 |
控制靈敏度 |
- |
|
頻率控制極性 |
- |
|
|
啟動時間 |
2.0ms max. |
|
所有石英晶體振蕩器和實時時鐘模塊都以IC形式提供。
噪音
在電源或輸入端上施加執行級別(過高)的不相干(外部的)噪音,可能導致會引發功能失常或擊穿的閉門或雜散現象。
電源線路
電源的線路阻抗應盡可能低。
輸出負載
建議將石英晶振輸出負載安裝在盡可能靠近振蕩器的地方(在20 mm范圍之間)。
未用輸入終端的處理
未用針腳可能會引起噪聲響應,從而導致非正常工作。同時,當P通道和N通道都處于打開時,電源功率消耗也會增加;因此,請將未用輸入終端連接到VCC 或GND。
熱影響
重復的溫度巨大變化可能會降低受損害的石英晶振產品特性,并導致塑料封裝里的線路擊穿。必須避免這種情況。
安裝方向
振蕩器的不正確安裝會導致故障以及崩潰,因此安裝時,請檢查安裝方向是否正確。
通電
不建議從中間電位和/或極快速通電,否則會導致無法產生振蕩和/或非正常工作。
Pletronics晶振環保方針:
Pletronics晶振集團保持就健康安全環境問題與臨近攝取進行對話.通過在環境控制方面實施優秀的管理實踐,以保護環境和與強生公司全球運作相關的自然資源.向員工灌輸環境價值觀,在所有的壓電石英晶體、有源晶體、壓電陶瓷諧振器,晶體振蕩器,有源晶振產品和生產過程中應用最佳環境實用技術,為全球可持續發展做出貢獻.
實施創新戰略,提高自主創新能力,確保公司可持續發展.實施節約戰略,提高建設節約環保型企業能力,確保實現節能環保規劃目標.
Pletronics晶振致力于環境保護,包括預防污染.在晶體振蕩器,有源晶振產品的規劃到制造、運行維修等整個過程中,努力提供環保型的產品和服務.Pletronics晶振,貼片晶振,NCF4晶振.



TXC晶振,貼片晶振,7L晶振,7L-16.368MCG-T晶振
KDS晶振,貼片晶振,DSR211STH晶振
NDK晶振,貼片晶振,NZ2520SD晶振


