ECS-200-18-18-TR,ECS陶瓷晶振,CSM-12,無鉛環保晶振,美國進口晶振,ECS晶振,伊西斯晶振,型號:CSM-12系列晶振,編碼為:ECS-200-18-18-TR,頻率:20.000MHz,負載電容:18pF,工作溫度范圍:-40℃至+85℃,小體積晶振尺寸:11.8x5.5x2.5mm陶瓷SMD封裝,四腳貼片晶振,石英晶振,陶瓷晶振,無源晶振,石英晶體諧振器,SMD石英晶體,無鉛環保晶振。具有小體積,輕薄型,耐熱及耐環境等特點。應用于:通訊設備晶振,無線藍牙晶振,車載控制器晶振,智能家居等應用。
ECS-200-18-18-TR,ECS陶瓷晶振,CSM-12,無鉛環保晶振,參數表
PARAMETERS
CONDITIONS
MIN
TYP
MAX
UNITS
Frequency
20
MHz
Mode of Oscillation
Fundamental
Frequency Tolerance
@ +25°C
± 30
ppm
Frequency Stability
-10 ~ +70°C
± 50
ppm
-40 ~ +85°C
±100
ppm
Shunt Capacitance
Co
7
pF
Load Capacitance
Specify in P/N
10
20
Series
pF
Drive Level
DL
100
μW
Operating Temperature*
Topr
-40
+85
°C
Storage Temperature
Tstg
-55
+125
°C
Aging (First Year)
@ +25°C ±3°C
±5
ppm
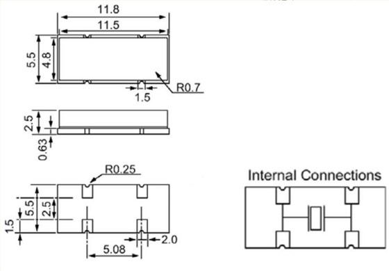
ECS-200-18-18-TR,ECS陶瓷晶振,CSM-12,無鉛環保晶振,尺寸圖
| 原廠編碼 | 進口晶振 | 型號 | 頻率 | 工作溫度 |
| ECS-40-S-18-TR | ECS晶振 | CSM-12 | 4MHz | -40°C ~ 85°C |
| ECS-36-S-18-TR | ECS晶振 | CSM-12 | 3.6864MHz | -40°C ~ 85°C |
| ECS-200-S-18-TR | ECS晶振 | CSM-12 | 20MHz | -40°C ~ 85°C |
| ECS-200-18-18-TR | ECS晶振 | CSM-12 | 20MHz | -40°C ~ 85°C |
| ECS-36-20-18-TR | ECS晶振 | CSM-12 | 3.6864MHz | -40°C ~ 85°C |
| ECS-80-20-18-TR | ECS晶振 | CSM-12 | 8MHz | -40°C ~ 85°C |
| ECS-100-18-18-TR | ECS晶振 | CSM-12 | 10MHz | -40°C ~ 85°C |
| ECS-40-20-18-TR | ECS晶振 | CSM-12 | 4MHz | -40°C ~ 85°C |
| ECS-147.4-18-18-TR | ECS晶振 | CSM-12 | 14.7456MHz | -40°C ~ 85°C |
| ECS-40-18-18-TR | ECS晶振 | CSM-12 | 4MHz | -40°C ~ 85°C |
| ECS-80-18-18-TR | ECS晶振 | CSM-12 | 8MHz | -40°C ~ 85°C |
| ECS-200-20-18-TR | ECS晶振 | CSM-12 | 20MHz | -40°C ~ 85°C |
| ECS-36-18-18-TR | ECS晶振 | CSM-12 | 3.6864MHz | -40°C ~ 85°C |
| ECS-110.5-18-18-TR | ECS晶振 | CSM-12 | 11.0592MHz | -40°C ~ 85°C |
| ECS-160-18-18-TR | ECS晶振 | CSM-12 | 16MHz | -40°C ~ 85°C |
| ECS-60-18-18-TR | ECS晶振 | CSM-12 | 6MHz | -40°C ~ 85°C |
| ECS-35-17-18-TR | ECS晶振 | CSM-12 | 3.579545MHz | -40°C ~ 85°C |
| ECS-73-S-18-TR | ECS晶振 | CSM-12 | 7.3728MHz | -40°C ~ 85°C |
| ECS-50-18-18-TR | ECS晶振 | CSM-12 | 5MHz | -40°C ~ 85°C |
| ECS-240-16-18-TR | ECS晶振 | CSM-12 | 24MHz | -40°C ~ 85°C |
| ECS-160-S-18-TR | ECS晶振 | CSM-12 | 16MHz | -40°C ~ 85°C |
| ECS-49-20-18-TR | ECS晶振 | CSM-12 | 4.9152MHz | -40°C ~ 85°C |
| ECS-120-S-18-TR | ECS晶振 | CSM-12 | 12MHz | -40°C ~ 85°C |
| ECS-100-S-18-TR | ECS晶振 | CSM-12 | 10MHz | -40°C ~ 85°C |
| ECS-110.5-20-18-TR | ECS晶振 | CSM-12 | 11.0592MHz | -40°C ~ 85°C |
| ECS-120-18-18-TR | ECS晶振 | CSM-12 | 12MHz | -40°C ~ 85°C |
| ECS-240-20-18-TR | ECS晶振 | CSM-12 | 24MHz | -40°C ~ 85°C |
| ECS-143-S-18-TR | ECS晶振 | CSM-12 | 14.31818MHz | -40°C ~ 85°C |
| ECS-61-32-18-TR | ECS晶振 | CSM-12 | 6.144MHz | -40°C ~ 85°C |
| ECS-80-S-18-TR | ECS晶振 | CSM-12 | 8MHz | -40°C ~ 85°C |
| ECS-49-18-18-TR | ECS晶振 | CSM-12 | 4.9152MHz | -40°C ~ 85°C |
| ECS-41-18-18-TR | ECS晶振 | CSM-12 | 4.096MHz | -40°C ~ 85°C |
| ECS-112.896-18-18-TR | ECS晶振 | CSM-12 | 11.2896MHz | -40°C ~ 85°C |
| ECS-73-18-18-TR | ECS晶振 | CSM-12 | 7.3728MHz | -40°C ~ 85°C |
| ECS-245.7-18-18-TR | ECS晶振 | CSM-12 | 24.576MHz | -40°C ~ 85°C |
| ECS-49-S-18-TR | ECS晶振 | CSM-12 | 4.9152MHz | -40°C ~ 85°C |
| ECS-184-S-18-TR | ECS晶振 | CSM-12 | 18.432MHz | -40°C ~ 85°C |
| ECS-98.3-20-18-TR | ECS晶振 | CSM-12 | 9.8304MHz | -40°C ~ 85°C |
| ECS-110.5-S-18-TR | ECS晶振 | CSM-12 | 11.0592MHz | -40°C ~ 85°C |
| ECS-250-18-18-TR | ECS晶振 | CSM-12 | 25MHz | -40°C ~ 85°C |
| ECS-35-18-18-TR | ECS晶振 | CSM-12 | 3.579545MHz | -40°C ~ 85°C |







西鐵城晶振,32.768K,CM200C晶振,CM200C32768DZCT晶振
TXC晶振,貼片晶振,7A晶振
TXC晶振,貼片晶振,7R晶振
TXC晶振,貼片晶振,8Q晶振,8Q37420001晶振
DSC1003CI5-025.0000T,3225mm振蕩器,Microchip移動應用晶振
無源晶體,石英晶振,ENN002-17007晶振,NAKA納卡晶體
C32石英諧振器,CORE科爾晶振,無源貼片晶體,進口無源晶振
49貼片晶振,GSX49-3晶體,Golledge諧振器,進口石英晶振,GSX49-3/351DF-25MHz晶體


