Abracon llc成立于1992年8月5日,其愿景是成為全球頂級制造商,并擁有非并行應用工程和銷售支持.為了實現這一愿景,Abracon獲得了iso9001 - 2008質量認證,在北美和海外的生產設施和技術合作伙伴中選擇了股權投資,建立了與即將到來的技術公司的渠道伙伴關系,并在其加州的位置設立了一個國家的藝術工程實驗室.
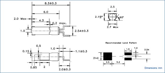
ABRACON晶振,石英晶振,AB26TRJ晶振,32.768K音叉型石英晶體諧振器產品具有以下幾種規格,∅3*8,∅2*6,公司所有材料均是來自日本進口,封裝測試設備采用日本精工儀器設備,并且從日本聘請高級技術工程師,司所生產的32.768K晶體具有一致性良好,頻率穩定度高,耐抗震強.
石英晶振真空退火技術:晶振高真空退火處理是消除晶振在加工過程中產生的應力及輕微表面缺陷。在PLC控制程序中輸入已設計好的溫度曲線,使真空室溫度跟隨設定曲線對晶體組件進行退火,石英晶振通過合理的真空退火技術可提高晶振主要參數的穩定性,以及提高石英晶振的年老化特性。
|
Abracon晶振規格 |
單位 |
AB26TRJ晶振頻率范圍 |
石英晶振基本條件 |
|
標準頻率 |
f_nom |
32.768KHZ |
標準頻率 |
|
儲存溫度 |
T_stg |
-55°C ~ +125°C |
裸存 |
|
工作溫度 |
T_use |
-40°C ~ +85°C |
標準溫度 |
|
激勵功率 |
DL |
200μW Max. |
推薦:1μW ~ 100μW |
|
頻率公差 |
f_— l |
±50 × 10-6(標準), |
+25°C 對于超出標準的規格說明,請聯系我們以便獲取相關的信息,http://www.yancaiwang.com.cn |
|
頻率溫度特征 |
f_tem |
±30 × 10-6/-20°C ~ +70°C |
超出標準的規格請聯系我們. |
|
負載電容 |
CL |
12.5pF ~ ∞ |
不同負載要求,請聯系我們. |
|
串聯電阻(ESR) |
R1 |
如下表所示 |
-40°C — +85°C,DL = 100μW |
|
頻率老化 |
f_age |
±5 × 10-6/ year Max. |
+25°C,第一年 |
晶振產品使用每種產品時,請在石英晶振規格說明或產品目錄規定使用條件下使用。因很多種晶振產品性能,以及材料有所不同,所以使用注意事項也有所不同,比如焊接模式,運輸模式,保存模式等等,都會有所差別。過高的靜電可能會損壞貼片晶振,請注意抗靜電條件。請為容器和封裝材料選擇導電材料。在處理的時候,請使用電焊槍和無高電壓泄漏的測量電路,并進行接地操作。
晶振產品的設計和生產直到出廠,都會經過嚴格的測試檢測來滿足它的規格要求。通過嚴格的出廠前可靠性測試以提供高質量高的可靠性的石英晶振.但是為了石英晶振的品質和可靠性,必須在適當的條件下存儲,安 裝,運輸。請注意以下的注意事項并在最佳的條件下使用產品,我們將對于客戶按自己的判斷而使用石英晶振所導致的不良不負任何責任。
Abracon晶振環保方針:
Abracon llc晶振集團采用系統的方法來解決石英晶振,有源晶振, 壓電石英晶體, 石英水晶振蕩子對環境影響開發和銷售擁有最有利的環境特性同時又滿足最高可能功效標準的晶振,石英晶振,有源晶振等壓電石英晶體器件.充分認識加強環境保護工作的重要性和緊迫性,把環境保護擺在更加重要的戰略位置,以對國家、對民族、對子孫后代高度負責的精神,切實做好環境保護工作,推動經濟社會全面協調可持續發展.
Abracon llc晶振堅持運用,不斷完善,持續改進,更要針對新情況、新問題,不斷學習先進,總結經驗,結合實際,及時改進舊方法,勇于擯棄落后方法.要積極開展安全經驗分享活動,讓每一個單位、每一個人的經驗和教訓變成大家的經驗,成為企業的財富.ABRACON晶振,石英晶振,AB26TRJ晶振.






