6G移動通信晶振 8N32003EC-60.000-CDI8 IDT有源振蕩器,尺寸7.0×5.0mm,頻率60MHZ,輸出邏輯LVPECL ,IDT差分晶振,艾迪悌有源振蕩器,差分輸出信號LV-PECL,LVPECL差分振蕩器,低電壓差分振蕩器,低功耗差分晶振,差分晶體振蕩器,低抖動差分晶振,低耗能差分晶振,低相位差分振蕩器,高頻差分晶振,156.25MHZ差分振蕩器,儀器設備差分晶振,6G光模塊差分晶振,無線網絡差分振蕩器,6G路由器專用差分晶振,小型設備專用差分晶振,產品具有低電壓低抖動低功耗的特點,非常適合用于6G兼容設備,光通信、光收發器,WDM設備,可視化智能家居,娛樂設備,數字視頻,儀器儀表以及光模塊等領域.
該OSC晶振可以被編程到從15.476MHz到866.67MHz和從975MHz到1,300MHz范圍內的任何頻率,并支持218Hz或更好的非常高的頻率精度。FSEL引腳為兩個預設輸出頻率中的一個進行選擇。擴展的溫度范圍支持無線基礎設施、電信和網絡終端設備的要求。6G移動通信晶振 8N32003EC-60.000-CDI8 IDT有源振蕩器.
6G移動通信晶振 8N32003EC-60.000-CDI8 IDT有源振蕩器 參數表
Symbol
Parameter
Test Conditions
Minimum
Typical
Maximum
Units
VCC
Power Supply Voltage
3.135
3.3
3.465
V
IEE
Power Supply Current
123
148
mA
Table 4B.Power Supply DC Characteristics, VCC=2.5V ± 5%, VEE=0V, TA= -40°C to 85°C
Symbol
Parameter
Test Conditions
Minimum
Typical
Maximum
Units
VCC
Power Supply Voltage
2.375
2.5
2.625
V
IEE
Power Supply Current
119
143
mA
Table 4C. LVCMOS/LVTTL DC Characteristic, VCC= 3.3V ± 5% or 2.5V ± 5%, VEE=0V, TA= -40°C to 85°C
Symbol
Parameter
Test Conditions
Minimum
Typical
Maximum
Units
VIH
Input High Voltage
VCC= 3.3V
2
VCC+ 0.3
V
VCC= 2.5V
1.7
VCC+ 0.3
V
VIL
Input Low Voltage
OE
VCC= 3.3V
-0.3
0.8
V
FSEL
-0.3
0.5
V
OE
VCC= 2.5V
-0.3
0.7
V
FSEL
-0.3
0.5
V
IIH
Input High Current
OE
VCC= VIN= 3.465V or 2.625V
10
µA
FSEL
VCC= VIN= 3.465V or 2.625V
150
µA
IIL
Input Low Current
OE
VCC= 3.465V or 2.625V, VIN= 0V
-150
µA
FSEL
VCC= 3.465V or 2.625V, VIN= 0V
-5
µA
Table 4D. LVPECL DC Characteristics, VCC= 3.3V ± 5%, VEE=0V, TA= -40°C to 85°C
Symbol
Parameter
Test Conditions
Minimum
Typical
Maximum
Units
VOH
Output High Voltage; NOTE 1
VCC– 1.4
VCC– 0.8
V
VOL
Output Low Voltage; NOTE 1
VCC– 2.0
VCC– 1.6
V
VSWING
Peak-to-Peak Output Voltage Swing
0.6
1
V
NOTE 1: Outputs terminated with 50Ω to VCC– 2V
Table 4E. LVPECL DC Characteristics, VCC= 2.5V ± 5%, VEE=0V, TA= -40°C to 85°C
Symbol
Parameter
Test Conditions
Minimum
Typical
Maximum
Units
VOH
Output High Voltage; NOTE 1
VCC– 1.4
VCC– 0.8
V
VOL
Output Low Voltage; NOTE 1
VCC– 2.0
VCC– 1.5
V
VSWING
Peak-to-Peak Output Voltage Swing
0.4
1
V
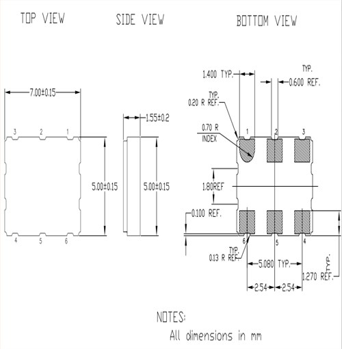
6G移動通信晶振 8N32003EC-60.000-CDI8 IDT有源振蕩器 尺寸圖
差分晶振產品特性
第四代FemtoClock®;NG技術
工廠可編程時鐘輸出頻率
15.476MHz至866.67MHz以及975MHz至1300MHz
頻率編程分辨率為218Hz及以上
一個2.5V或3.3V LVPECL時鐘輸出
輸出啟用控制(正極性),兼容LVCMOS/LVTTL
LVCMOS兼容控制輸入
156.25MHz(12kHz-20MHz)時的RMS相位抖動:
0.24ps(典型),整數PLL反饋配置
156.25MHz(1kHz-40MHz)時的RMS相位抖動:
0.27ps(典型),整數PLL反饋配置
2.5V或3.3V電源
-40°C至85°C的環境工作溫度
提供無鉛(RoHS 6)6針陶瓷封裝
| 原廠代碼 | 品牌 | 參數 | 型號 | 類型 | 頻率 | 輸出 | 電壓 |
| XLP736285.714000I | IDT振蕩器 | OSC XO 285.714MHZ LVPECL SMD | XPRESSO™ FXO-PC73 | XO (Standard) | 285.714MHz | LVPECL | 3.3V |
| XLP736250.000000I | IDT振蕩器 | OSC XO 250.000MHZ LVPECL SMD | XPRESSO™ FXO-PC73 | XO (Standard) | 250MHz | LVPECL | 3.3V |
| XLP736200.000000I | IDT振蕩器 | OSC XO 200.000MHZ LVPECL SMD | XPRESSO™ FXO-PC73 | XO (Standard) | 200MHz | LVPECL | 3.3V |
| XLL736400.000000I | IDT振蕩器 | OSC XO 400.000MHZ LVDS SMD | XPRESSO™ FXO-LC73 | XO (Standard) | 400MHz | LVDS | 3.3V |
| XLL726371.428571I | IDT振蕩器 | OSC XO 371.428571MHZ LVDS SMD | XLL | XO (Standard) | 371.428571MHz | LVDS | 2.5V |
| XLL726238.000000I | IDT振蕩器 | OSC XO 238.000MHZ LVDS SMD | XLL | XO (Standard) | 238MHz | LVDS | 2.5V |
| XLL736125.000000I | IDT振蕩器 | OSC XO 125.000MHZ LVDS SMD | XPRESSO™ FXO-LC73 | XO (Standard) | 125MHz | LVDS | 3.3V |
| XLP726074.250000I | IDT振蕩器 | OSC XO 74.25MHZ LVPECL SMD | XPRESSO™ FXO-PC72 | XO (Standard) | 74.25MHz | LVPECL | 2.5V |
| XLL536200.000000I | IDT振蕩器 | OSC XO 200.000MHZ LVDS SMD | XPRESSO™ FXO-LC53 | XO (Standard) | 200MHz | LVDS | 3.3V |
| FXO-LC735R-128.00 | IDT振蕩器 | OSC XO 128.000MHZ LVDS SMD | FXO-LC73 | XO (Standard) | 128MHz | LVDS | 3.3V |
| XLP736622.080000I | IDT振蕩器 | OSC XO 622.08MHZ LVPECL SMD | XPRESSO™ FXO-PC73 | XO (Standard) | 622.08MHz | LVPECL | 3.3V |
| XLL736080.000000I | IDT振蕩器 | OSCILLATOR XO 80.000MHZ LVDS SMD | XPRESSO™ FXO-LC73 | XO (Standard) | 80MHz | LVDS | 3.3V |
| FVXO-LC53BR-25 | IDT振蕩器 | OSC VCXO 25.000MHZ LVDS SMD | XPRESSO™ FVXO-LC53 | VCXO | 25MHz | LVDS | 3.3V |
| FXO-HC330-51.2 | IDT振蕩器 | OSCILLATOR XO 51.2MHZ HCMOS SMD | XPRESSO™ FXO-HC33 | XO (Standard) | 51.2MHz | HCMOS | 3.3V |
| FXO-HC330-50 | IDT振蕩器 | OSC XO 50.000MHZ HCMOS SMD | XPRESSO™ FXO-HC33 | XO (Standard) | 50MHz | HCMOS | 3.3V |
| FXO-HC330-25.175 | IDT振蕩器 | OSC XO 25.175MHZ HCMOS SMD | XPRESSO™ FXO-HC33 | XO (Standard) | 25.175MHz | HCMOS | 3.3V |
| XLH330024.000000X | IDT振蕩器 | OSC XO 24.000MHZ HCMOS SMD | XPRESSO™ FXO-HC33 | XO (Standard) | 24MHz | HCMOS | 3.3V |
| FXO-HC330-19.2 | IDT振蕩器 | OSCILLATOR XO 19.2MHZ HCMOS SMD | XPRESSO™ FXO-HC33 | XO (Standard) | 19.2MHz | HCMOS | 3.3V |
| FXO-HC330-6 | IDT振蕩器 | OSCILLATOR XO 6.000MHZ HCMOS SMD | XPRESSO™ FXO-HC33 | XO (Standard) | 6MHz | HCMOS | 3.3V |
| FXO-HC330-3.6864 | IDT振蕩器 | OSC XO 3.6864MHZ HCMOS SMD | XPRESSO™ FXO-HC33 | XO (Standard) | 3.6864MHz | HCMOS | 3.3V |
| FXO-HC530-54 | IDT振蕩器 | OSC XO 54.000MHZ HCMOS SMD | XPRESSO™ FXO-HC53 | XO (Standard) | 54MHz | HCMOS | 3.3V |
| FXO-HC530-50.625 | IDT振蕩器 | OSC XO 50.625MHZ HCMOS SMD | XPRESSO™ FXO-HC53 | XO (Standard) | 50.625MHz | HCMOS | 3.3V |
| FXO-HC530-49.152 | IDT振蕩器 | OSC XO 49.152MHZ HCMOS SMD | XPRESSO™ FXO-HC53 | XO (Standard) | 49.152MHz | HCMOS | 3.3V |
| FXO-HC530-45 | IDT振蕩器 | OSC XO 45.000MHZ HCMOS SMD | XPRESSO™ FXO-HC53 | XO (Standard) | 45MHz | HCMOS | 3.3V |
| FXO-HC530-40 | IDT振蕩器 | OSC XO 40.000MHZ HCMOS SMD | XPRESSO™ FXO-HC53 | XO (Standard) | 40MHz | HCMOS | 3.3V |
| FXO-HC530-37.125 | IDT振蕩器 | OSC XO 37.125MHZ HCMOS SMD | XPRESSO™ FXO-HC53 | XO (Standard) | 37.125MHz | HCMOS | 3.3V |
| FXO-HC530-29.4912 | IDT振蕩器 | OSC XO 29.4912MHZ HCMOS SMD | XPRESSO™ FXO-HC53 | XO (Standard) | 29.4912MHz | HCMOS | 3.3V |
| FXO-HC530-27 | IDT振蕩器 | OSC XO 27.000MHZ HCMOS SMD | XPRESSO™ FXO-HC53 | XO (Standard) | 27MHz | HCMOS | 3.3V |
| FXO-HC530-26.66 | IDT振蕩器 | OSCILLATOR XO 26.66MHZ HCMOS SMD | XPRESSO™ FXO-HC53 | XO (Standard) | 26.66MHz | HCMOS | 3.3V |
| FXO-HC530-24.576 | IDT振蕩器 | OSC XO 24.576MHZ HCMOS SMD | XPRESSO™ FXO-HC53 | XO (Standard) | 24.576MHz | HCMOS | 3.3V |
| FXO-HC530-24 | IDT振蕩器 | OSC XO 24.000MHZ HCMOS SMD | XPRESSO™ FXO-HC53 | XO (Standard) | 24MHz | HCMOS | 3.3V |
| FXO-HC530-20 | IDT振蕩器 | OSC XO 20.000MHZ HCMOS SMD | XPRESSO™ FXO-HC53 | XO (Standard) | 20MHz | HCMOS | 3.3V |
| FXO-HC530-19.6608 | IDT振蕩器 | OSC XO 19.6608MHZ HCMOS SMD | XPRESSO™ FXO-HC53 | XO (Standard) | 19.6608MHz | HCMOS | 3.3V |
| FXO-HC530-19.2 | IDT振蕩器 | OSCILLATOR XO 19.2MHZ HCMOS SMD | XPRESSO™ FXO-HC53 | XO (Standard) | 19.2MHz | HCMOS | 3.3V |
| FXO-HC530-19.132867 | IDT振蕩器 | OSC XO 19.132867MHZ HCMOS SMD | XPRESSO™ FXO-HC53 | XO (Standard) | 19.132867MHz | HCMOS | 3.3V |
| FXO-HC530-18.432 | IDT振蕩器 | OSC XO 18.432MHZ HCMOS SMD | XPRESSO™ FXO-HC53 | XO (Standard) | 18.432MHz | HCMOS | 3.3V |
| FXO-HC530-16.8 | IDT振蕩器 | OSCILLATOR XO 16.8MHZ HCMOS SMD | XPRESSO™ FXO-HC53 | XO (Standard) | 16.8MHz | HCMOS | 3.3V |
| FXO-HC530-16.54111 | IDT振蕩器 | OSC XO 16.54111MHZ HCMOS SMD | XPRESSO™ FXO-HC53 | XO (Standard) | 16.54111MHz | HCMOS | 3.3V |
| FXO-HC530-16.384 | IDT振蕩器 | OSC XO 16.384MHZ HCMOS SMD | XPRESSO™ FXO-HC53 | XO (Standard) | 16.384MHz | HCMOS | 3.3V |
| FXO-HC530-16 | IDT振蕩器 | OSC XO 16.000MHZ HCMOS SMD | XPRESSO™ FXO-HC53 | XO (Standard) | 16MHz | HCMOS | 3.3V |
| FXO-HC530-14.31818 | IDT振蕩器 | OSC XO 14.31818MHZ HCMOS SMD | XPRESSO™ FXO-HC53 | XO (Standard) | 14.31818MHz | HCMOS | 3.3V |
| FXO-HC530-13.5 | IDT振蕩器 | OSCILLATOR XO 13.5MHZ HCMOS SMD | XPRESSO™ FXO-HC53 | XO (Standard) | 13.5MHz | HCMOS | 3.3V |
| FXO-HC530-11.2896 | IDT振蕩器 | OSC XO 11.2896MHZ HCMOS SMD | XPRESSO™ FXO-HC53 | XO (Standard) | 11.2896MHz | HCMOS | 3.3V |
| FXO-HC530-11.0592 | IDT振蕩器 | OSC XO 11.0592MHZ HCMOS SMD | XPRESSO™ FXO-HC53 | XO (Standard) | 11.0592MHz | HCMOS | 3.3V |
| FXO-HC530-11.059 | IDT振蕩器 | OSC XO 11.059MHZ HCMOS SMD | XPRESSO™ FXO-HC53 | XO (Standard) | 11.059MHz | HCMOS | 3.3V |
| FXO-HC530-10.7 | IDT振蕩器 | OSCILLATOR XO 10.7MHZ HCMOS SMD | XPRESSO™ FXO-HC53 | XO (Standard) | 10.7MHz | HCMOS | 3.3V |
| FXO-HC530-9.65 | IDT振蕩器 | OSCILLATOR XO 9.65MHZ HCMOS SMD | XPRESSO™ FXO-HC53 | XO (Standard) | 9.65MHz | HCMOS | 3.3V |
| FXO-HC530-9.6 | IDT振蕩器 | OSCILLATOR XO 9.6MHZ HCMOS SMD | XPRESSO™ FXO-HC53 | XO (Standard) | 9.6MHz | HCMOS | 3.3V |
| FXO-HC530-8.192 | IDT振蕩器 | OSCILLATOR XO 8.192MHZ HCMOS SMD | XPRESSO™ FXO-HC53 | XO (Standard) | 8.192MHz | HCMOS | 3.3V |
| FXO-HC530-8 | IDT振蕩器 | OSCILLATOR XO 8.000MHZ HCMOS SMD | XPRESSO™ FXO-HC53 | XO (Standard) | 8MHz | HCMOS | 3.3V |
| FXO-HC530-7.3728 | IDT振蕩器 | OSC XO 7.3728MHZ HCMOS SMD | XPRESSO™ FXO-HC53 | XO (Standard) | 7.3728MHz | HCMOS | 3.3V |
| FXO-HC530-6 | IDT振蕩器 | OSCILLATOR XO 6.000MHZ HCMOS SMD | XPRESSO™ FXO-HC53 | XO (Standard) | 6MHz | HCMOS | 3.3V |
| FXO-HC530-4.825 | IDT振蕩器 | OSCILLATOR XO 4.825MHZ HCMOS SMD | XPRESSO™ FXO-HC53 | XO (Standard) | 4.825MHz | HCMOS | 3.3V |
| FXO-HC530-4 | IDT振蕩器 | OSCILLATOR XO 4.000MHZ HCMOS SMD | XPRESSO™ FXO-HC53 | XO (Standard) | 4MHz | HCMOS | 3.3V |
| FXO-HC530-3.6864 | IDT振蕩器 | OSC XO 3.6864MHZ HCMOS SMD | XPRESSO™ FXO-HC53 | XO (Standard) | 3.6864MHz | HCMOS | 3.3V |
| FXO-HC530-2.048 | IDT振蕩器 | OSCILLATOR XO 2.048MHZ HCMOS SMD | XPRESSO™ FXO-HC53 | XO (Standard) | 2.048MHz | HCMOS | 3.3V |
| FXO-HC530-2 | IDT振蕩器 | OSCILLATOR XO 2.000MHZ HCMOS SMD | XPRESSO™ FXO-HC53 | XO (Standard) | 2MHz | HCMOS | 3.3V |
| FXO-HC530-1.8432 | IDT振蕩器 | OSC XO 1.8432MHZ HCMOS SMD | XPRESSO™ FXO-HC53 | XO (Standard) | 1.8432MHz | HCMOS | 3.3V |
| FXO-HC530-1.828 | IDT振蕩器 | OSCILLATOR XO 1.828MHZ HCMOS SMD | XPRESSO™ FXO-HC53 | XO (Standard) | 1.828MHz | HCMOS | 3.3V |
| FXO-HC530-1.544 | IDT振蕩器 | OSCILLATOR XO 1.544MHZ HCMOS SMD | XPRESSO™ FXO-HC53 | XO (Standard) | 1.544MHz | HCMOS | 3.3V |
| FXO-HC530-1.152 | IDT振蕩器 | OSCILLATOR XO 1.152MHZ HCMOS SMD | XPRESSO™ FXO-HC53 | XO (Standard) | 1.152MHz | HCMOS | 3.3V |
| FXO-HC530-1 | 艾迪悌晶振 | OSCILLATOR XO 1.000MHZ HCMOS SMD | XPRESSO™ FXO-HC53 | XO (Standard) | 1MHz | HCMOS | 3.3V |
| FXO-HC730-57 | IDT振蕩器 | OSC XO 57.000MHZ HCMOS SMD | XPRESSO™ FXO-HC73 | XO (Standard) | 57MHz | HCMOS | 3.3V |
| FXO-HC730-56.25 | IDT振蕩器 | OSCILLATOR XO 56.25MHZ HCMOS SMD | XPRESSO™ FXO-HC73 | XO (Standard) | 56.25MHz | HCMOS | 3.3V |
| FXO-HC730-56 | IDT振蕩器 | OSC XO 56.000MHZ HCMOS SMD | XPRESSO™ FXO-HC73 | XO (Standard) | 56MHz | HCMOS | 3.3V |
| FXO-HC730-55.296 | IDT振蕩器 | OSC XO 55.296MHZ HCMOS SMD | XPRESSO™ FXO-HC73 | XO (Standard) | 55.296MHz | HCMOS | 3.3V |
| FXO-HC730-54 | IDT振蕩器 | OSC XO 54.000MHZ HCMOS SMD | XPRESSO™ FXO-HC73 | XO (Standard) | 54MHz | HCMOS | 3.3V |
| FXO-HC730-53.2 | IDT振蕩器 | OSCILLATOR XO 53.2MHZ HCMOS SMD | XPRESSO™ FXO-HC73 | XO (Standard) | 53.2MHz | HCMOS | 3.3V |
| FXO-HC730-53.125 | IDT振蕩器 | OSC XO 53.125MHZ HCMOS SMD | XPRESSO™ FXO-HC73 | XO (Standard) | 53.125MHz | HCMOS | 3.3V |
| FXO-HC730-52.5 | IDT振蕩器 | OSCILLATOR XO 52.5MHZ HCMOS SMD | XPRESSO™ FXO-HC73 | XO (Standard) | 52.5MHz | HCMOS | 3.3V |
| FXO-HC730-52 | IDT振蕩器 | OSC XO 52.000MHZ HCMOS SMD | XPRESSO™ FXO-HC73 | XO (Standard) | 52MHz | HCMOS | 3.3V |
| FXO-HC730-49.152 | IDT振蕩器 | OSC XO 49.152MHZ HCMOS SMD | XPRESSO™ FXO-HC73 | XO (Standard) | 49.152MHz | HCMOS | 3.3V |
| FXO-HC730-48.587364 | IDT振蕩器 | OSC XO 48.587364MHZ HCMOS SMD | XPRESSO™ FXO-HC73 | XO (Standard) | 48.587364MHz | HCMOS | 3.3V |
| FXO-HC730-47.0016 | IDT振蕩器 | OSC XO 47.0016MHZ HCMOS SMD | XPRESSO™ FXO-HC73 | XO (Standard) | 47.0016MHz | HCMOS | 3.3V |
| FXO-HC730-46.858016 | IDT振蕩器 | OSC XO 46.858016MHZ HCMOS SMD | XPRESSO™ FXO-HC73 | XO (Standard) | 46.858016MHz | HCMOS | 3.3V |
| FXO-HC730-46.15787 | IDT振蕩器 | OSC XO 46.15787MHZ HCMOS SMD | XPRESSO™ FXO-HC73 | XO (Standard) | 46.15787MHz | HCMOS | 3.3V |
| FXO-HC730-44.928 | IDT振蕩器 | OSC XO 44.928MHZ HCMOS SMD | XPRESSO™ FXO-HC73 | XO (Standard) | 44.928MHz | HCMOS | 3.3V |





XUL736125.000JU6I,XUL低相位晶振,瑞薩差分振蕩器,6G交換機晶振
M675有源振蕩器\M675-02-CA\6G電信晶振\Renesas低相噪晶振
Si570差分晶體\570FAC001059DGR\6G模塊晶振\Skyworks低電壓晶振
X1G0042510046,SG3225EAN娛樂設備晶振,愛普生石英差分振蕩器


