CTS晶振,耐高溫晶振,636高性能晶振.5032mm體積的石英晶體振蕩器,有源晶振,該產品可驅動2.5V的溫補晶振,壓控晶振,VC-TCXO晶體振蕩器產品,電源電壓的低電耗型,編帶包裝方式,可對應自動高速貼片機自動焊接,及IR回流焊接(無鉛對應),為無鉛產品,超小型,質地輕.產品被廣泛應用到集成電路,程控交換系統,無線發射基站.
CTS公司成立于1896,是全球設計和制造各種電子元器件、傳感器和執行器的領導者.主要滿足原始設備制造商(OEM)的需求,CTS以其超過100年的創新產品和卓越工程而自豪.CTS晶振產品的生產采用最先進的技術,由一個高素質和敬業的工驅動.
晶振的真空封裝技術:是指石英晶振在真空封裝區域內進行封裝.1.防止外界氣體進入組件體內受到污染和增加應力的產生;2.使晶振組件在真空下電阻減小;3.氣密性高.此技術為研發及生產超小型、超薄型石英晶振必須攻克的關鍵技術之一
|
CTS晶振 |
636晶振 |
|
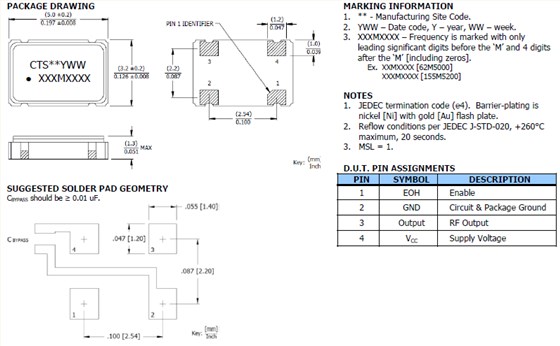
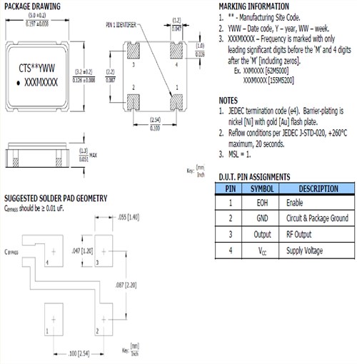
輸出類型 |
HCMOS/TTL Compatible |
|
輸出負載 |
15pF |
|
振蕩模式 |
基本/第三泛音 |
|
電源電壓 |
+1.8V、+2.5V、+3.3V、+5.0V |
|
頻率范圍 |
1.00MHz~160.00MHz |
|
頻率穩定度 |
±20ppm、±25ppm、±50ppm |
|
工作溫度 |
-40℃~+85℃ |
|
保存溫度 |
-55℃~+125℃ |
|
電壓卷(最大值)/ VOH(最小值) |
0.1 VDD / 0.9 VDD |
|
啟動時間 |
5 ms Max |
|
相位抖動(12兆赫~20兆赫) |
1個PS最大 |
|
老化率 |
±3 ppm /年最大 |

負載電容
振蕩電路中負載電容的不同,可能導致石英晶體振蕩器振蕩頻率與設計頻率之間產生偏差.試圖通過強力調整,可能只會導致不正常的振蕩.在使用之前,請指明該振動電路的負載電容(請參閱“負載電容”章節內容).
粘合劑
請勿使用可能導致環保晶振所用的封裝材料,終端,組件,玻璃材料以及氣相沉積材料等受到腐蝕的膠粘劑.(比如,氯基膠粘劑可能腐蝕一個晶體單元的金屬“蓋”,從而破壞密封質量,降低性能.)
鹵化合物
請勿在鹵素氣體環境下使用5032晶振.即使少量的鹵素氣體,比如在空氣中的氯氣內或封裝所用金屬部件內,都可能產生腐蝕.同時,請勿使用任何會釋放出鹵素氣體的樹脂.
自動安裝和真空化引發的沖擊會破壞產品特性并影響這些進口晶體振蕩器.請設置安裝條件以盡可能將沖擊降至低,并確保在安裝前未對產品特性產生影響.條件改變時,請重新檢查安裝條件.同時,在安裝前后,請確保石英晶振未撞擊機器或其他電路板等.
保管
保管在高溫多濕的場所可能會導致端子軟焊性的老化.
請在沒有直射陽光,不發生結露的場所保管.
負極電阻
除非振蕩回路中分配足夠多的負極電阻,否則振蕩或振蕩啟動時間可能會增加(請參閱“關于振蕩”章節內容).
CTS晶振集團建立一種可測量的發展和改進的目標指標,定期進行內審和管理評審.在現有的或新生的各種活動中不斷監測和改進環境績效.通過對生產活動的持續改進和促進對低效或無效的環境法律法規進行合理化轉變,努力提高環境管理中資本的效力.
將生產活動中的環境因素和環境影響的分析納入我們的決策中來,確保活動中每一分子的運作和發展都體現對污染預防方針的貫徹.我們將定期對雇員進行教育和培訓,確保他們能夠安全高效的工作,樹立他們的環保責任感.與雇員、客戶、公眾、政府及關注公司環境績效和持續改進計劃的相關方進行充分開放的信息交流.
CTS晶振集團為確保安全、提高保護預防措施、進口壓控振蕩器產品的可靠性以及職業安全,確保職業健康與環境的優越性,通過正式的管理評審和對健康、安全和環境實施效果的持續改進,保護人群及財產與環境.
與我們的員工一起開創并保持一個免于事故的工作場所.重視污染預防,消除偏離程序的行為強調通過員工努力這一最可行的方法持續改進我們經營活動的環境績效. 將持續的環境、健康和安全方面的改進、污染預防和員工的努力納入日常運行當中.加強污染防治,減少現有的污染廢棄物以及在未來生產制造中所產生的污染.





